전원 공급 장치의 EMI 절감을 위한 시간 및 비용 효율적 혁신
글/Yogesh Ramadass, 절연 및 모터 설계 매니저, Ambreesh Tripathi, 시스템 매니저, Paul Curtis, 아날로그 설계 엔지니어, TI
설계 단계 후반부에 EMI로 상당한 차질이 빚어져 시간과 비용 둘 다 들어갈 가능성을 감안하면 EMI는 더 이상 사후 고려 대상이 될 수 없다. 현대 기술에서 가장 보편적인 회로 중 하나는 스위치 모드 전원 공급 장치(SMPS)로, 대부분의 응용 분야에서 선형 레귤레이터보다 효율성을 획기적으로 개선해 준다.
그러나 SMPS에서 금속 산화물 반도체 전계 효과 트랜지스터(MOS-FET)의 동력 전환으로 인해 SMPS가 EMI의 주요 공급원이 되면 결국 신뢰성에 영향을 미칠 수 있기 때문에 이 효율성에는 대가가 따른다. EMI는 주로 불연속 입력 전류, 스위칭 노드의 빠른 슬루율, 전력 루프에서 기생 인덕턴스로 인한 스위칭 에지의 추가 링잉에서 발생한다.
그림 1은 벅 컨버터 토폴로지를 예로 들어 이러한 요소들이 각각 다른 주파수 대역에서 어떻게 나타나는지 보여준다. 효율 개선을 위해 슬루율을 증가시킬 뿐 아니라 크기와 비용 절감을 위해 스위칭 빈도를 증가시켜야 한다는 압박이 커지면 EMI 문제가 악화된다. 따라서, 전력 공급 설계를 손상시키지 않는 비용 효율적이고 통합이 용이한 EMI 완화 기법을 도입해야 한다.

EMI란 무엇인가?
전자기 호환성(EMC)이 필요한 시스템에서는 소스 역할을 하는 구성 요소가 간섭을 줄이기 위해 설계되고, 간섭에 민감한 구성 요소가 민감성을 줄이기 위해 설계된다. 완제품 제조업체가 다양한 공급업체의 구성 요소를 통합할 때, 간섭자와 민감한 회로가 평화롭게 공존할 수 있다는 것을 보장하는 유일한 방법은 간섭이 특정 수준으로 제한되고 민감한 회로가 그 수준의 간섭을 처리할 수 있는 공통 규칙을 설정하는 것이다.
이러한 규칙은 자동차 산업용 CISPR(Comité International Spécial des Perturbations Radioélectriques) 25와 멀티미디어 장비용 CISPR 32 같은 산업 표준 사양에 정립되어 있다. CISPR 표준은 EMI 완화 기술의 목표 성과를 나타내기 때문에 EMI 설계에 매우 중요하다.
이 기술백서에서는 SMPS가 전형적으로 전자기 간섭자이기 때문에 간섭을 줄이는데 초점을 맞출 것이다. 해당 용도에 적절한 표준을 파악하는 것 외에, EMI를 측정하는 방법을 이해하는 것도 EMI 감소에 대한 통찰력을 주기 때문에 중요하다. EMI 측정은 일반적으로 전도와 방사로 나뉘는데, 이는 측정 방법과 EMI가 생성된 방법을 모두 보여준다.
전도 방출은 일반적으로 낮은 주파수(<30MHz)와 관련 있고 방사 방출은 일반적으로 더 높은 주파수(<30MHz)와 관련 있지만, 전도 주파수 범위와 방사 주파수 범위가 중복되므로 둘 사이의 구별이 그리 간단하지는 않다.
전도 방출 측정은 디바이스에서 생성되어 해당 전원으로 반환되는 EMI를 정량화하도록 설계되었다. 다른 민감한 회로가 동일한 전원 공급 라인에 연결되는 것이 일반적이기 때문에, 많은 응용 분야에서 이러한 방출을 줄이는 것이 중요하다. 전도 EMI를 줄이는 것은 현대식 자동차에서 그 수가 증가하고 있는 긴 와이어 하니스를 다룰 때 특히 중요하다.
그림 2는 전원, 라인 임피던스 안정화 네트워크(LISN), EMI 수신기, 공급 와이어 및 테스트 대상 장치(DUT)를 포함한 전도 방출에 대한 일반적인 테스트 설정을 보여 준다. LISN은 EMI 측정의 반복성과 비교 가능성을 보장하는 저역 필터 역할을 하며, DUT에 정확한 임피던스를 제공하는 핵심 역할을 수행한다. 또한 그림 2는 전도 방출을 공통 모드(CM) 전류와 차동 모드(DM) 전류로 분할하는 중요한 부분을 보여준다. DM 전류는 전원 공급 라인과 그 복귀 경로 사이를 흐르며, 낮은 주파수에서 지배적 인자이다. CM 전류는 각 전력선과 접지 사이를 흐르며, 높은 주파수에서 지배적 인자이다.

방사 자기장을 생성하는 동일한 전류 루프도 DM 전도방출을 생성하고 방사 전기장을 생성하는 동일한 표면도 CM 전도 방출을 생성하기 때문에 많은 EMI 완화 기법은 전도 및 방사 방출을 모두 감소시키지만, 특히 어느 한쪽을 대상으로 지정할 수 있다.
일반적으로 저주파 방출은 대형 능동 필터를 사용하면 완화되며, 이 경우 솔루션에 기판 면적과 비용이 추가된다. 고주파 방출은 주로 기생적 특성의 결과로서 측정, 모델링 및 완화 측면에서 다른 과제를 초래한다.
고주파 방출에 대한 일반적인 완화 기법에는 슬루율 제어와 기생특성 감소가 포함된다. 그림 3은 이 기술 백서에 포함된 완화 기법, 가장 유리한 주파수 대역 및 CISPR 25 표준에서 다루는 주파수 범위의 예를 요약 설명한다.

[그림 3] 이 기술백서에 제시된 EMI 완화 기법의 요약
저주파 및 저주파 범위에서 EMI를 줄이기 위한 전통적인 방법
SMPS에서 불연속 전류에 의해 생성되는 입력 전압 리플은 시스템이 공통의 물리적 접점을 공유할 때 다른 시스템으로 전도될 수 있다. 적절한 완화 없이 과도한 입력 또는 출력 전압 리플은 소스, 부하 또는 인접 시스템의 작동을 손상시킬 수 있다.
기존에는 그림 4와 같이 패시브 인덕터-커패시터(LC) 기반 EMI 필터를 사용하여 입력 리플을 최소화할 수 있었다. LC 필터는 EMI 사양을 충족하는 데 필요한 감쇠를 제공한다.

EMI를 완화하기 위한 또 다른 일반적인 접근 방식은 SMPS의 스위칭 주파수를 변조하기 위해 확산 스펙트럼(또는 클럭 디더링)을 사용하는 것인데, 이는 기본 스위칭 주파수 및 그 고조파와 관련된 주파수 스펙트럼의 피크를 감소시키지만 그 대신 다음 페이지의 그림 5와 같이 노이즈 플로어는 증가시킨다.

필터 인덕터의 크기를 최소화하기 위해 SMPS 설계의 경우 더 높은 스위칭 주파수를 선택할 수 있다. 그러나 스위처 작동을 위해서는 민감한 주파수 대역을 피하는 것이 중요하다. 예를 들어, 오토모티브 전력 솔루션의 선호 스위칭 주파수는 전통적으로 서브AM 대역(약 400kHz)이었다. 인덕터 크기를 최소화하기 위해 더 높은 스위칭 주파수를 선택한다는 것은 보다 엄격한 자동차 EMI 주파수 대역에서 근본적인 스위칭 스퍼가 발생하지 않도록 전체 AM 대역(525~1,705kHz)을 피해야 한다는 것을 의미한다.
텍사스 인스트루먼트(TI)의 스위칭 컨버터는 EMI 대역 요건을 충족시키기 위해 1.8MHz 이상의 스위칭 주파수를 갖다. 스위칭 주파수를 높이도록 압력을 넣으면 스위칭 손실을 줄이기 위해 스위칭 전이 상승 및 하강 시간에 심각한 제한을 가하게 된다. 그러나 상승 및 하강 시간이 매우 짧은 스위치 노드는 그림 6과 같이 100번째 고조파에 가까운 고주파에서도 높은 에너지 함량을 유지하며, 고효율과 낮은 EMI 사이의 절충을 다시 강조한다.


[그림 7] 다른 스위치 노드 슬루율 및 관련 링잉이 고주파 방출에 미치는 영향. 감소된 슬루율은 30~200MHz 대역의 EMI 롤오프에 영향을 미치는 반면 감소된 링잉은 약 400MHz의 링잉 주파수에서 EMI에 영향을 미친다.
저주파 방출 감소의 혁신
효율성, EMI, 크기 및 비용을 포함하는 근본적인 절충을 해결하기 위해 TI가 컨버터와 컨트롤러를 구축할 때 사용하는 몇 가지 기술을 살펴보겠다.
(1) 확산 스펙트럼
확산 스펙트럼은 에너지의 보존 원리를 사용하여 에너지를 여러 주파수에 걸쳐 분산시킴으로써 EMI 피크를 감소시킨다. 그러나, 민감한 회로가 “인식”하는 피크 에너지는 감소하지 않을 수 있다. 이는 민감한 회로의 대역폭과 주파수 변조 방법의 관계에 따라 달라진다. EMI를 측정할 때 스펙트럼 분석기는 민감한 회로 역할을 하며, 산업 표준은 해상도 대역폭(RBW)을 설정한다. 따라서 목표하고 있는 표준에 가장 효과적인 방법으로 주파수를 변조하는 것이 중요하다. 일반적으로는 변조 주파수, fm, 대략적으로는 목표 RBW와 동일한 확산 대역폭 ΔfC, 약 ±5% ~ ±10%를 갖는 것이다. 그림 8은 시간 영역과 주파수 영역 모두에서 이러한 매개변수를 보여준다.


그림 10은 낮은 RBW를 대상으로 하는 삼각형 엔벨로프와 높은 RBW를 대상으로 하는 중첩된 의사 랜덤 시퀀스가 있는 시간 영역의 DRSS 변조 프로파일을 보여준다.


확산 스펙트럼 기법은 EMI 소스가 두 가지 모두에 유사하고 주파수 확산이 동일한 이점을 제공하므로 비절연 및 절연 토폴로지 모두에 적용할 수 있다. 통합 변압기가 있는 UCC12040 및 UCC12050 절연 DC/DC 컨버터는 내부 확산 스펙트럼 기법에 의해 부분적으로 CISPR 32 Class B EMI 테스트 한계를 통과할 수 있다.
(2) 활성 EMI 필터링
저주파 스펙트럼의 방출을 실질적으로 개선하기 위해 LM25149-Q1 벅 컨트롤러는 활성 EMI 필터링 접근 방식을 통합한다. 통합된 활성 EMI 필터는 효과적인 저 임피던스 션트 역할을 하여 입력 시 DM 전도 방출을 줄이다. 그림 12는 벅 컨트롤러의 활성 EMI 필터를 입력 라인에 연결하는 방법을 보여준다. 감지 및 주입 핀은 해당 커패시터를 통해 입력에 연결된다. 활성 EMI 필터 블록 내의 활성 소자는 감지된 신호를 증폭하고 입력 라인 상의 전체적인 교란을 최소화하기 위해 주입 커패시터를 통해 적절한 반극성 신호를 주입한다. 이렇게 하면 필요한 수동 부품의 필터링 부담을 덜어 크기, 부피 및 비용이 줄어든다.

그림 13은 400kHz 스위칭 주파수에서 동작하는 벅 컨버터의 EMI 측정 결과를 보여주며 활성 및 수동 EMI 필터링 접근 방식을 비교한다. CISPR 25 Class 5 스펙트럼 마스크를 효과적으로 충족시키기 위해서는 수동 EMI 필터에 10μF DM 커패시터를 갖는 3.3μH DM 인덕터가 필요하다. 활성 필터링 접근 방식은 100nF 감지 및 주입 커패시터와 함께 1μH의 DM 인덕터로 동일한 효과적인 감쇠를 달성할 수 있다. 따라서 수동 필터의 크기와 부피를 각각 원래 값의 약 43%와 27%로 줄일 수 있다. 고전류 컨버터의 경우 인덕터 DC 저항의 감소로 인해 비용 및 효율에 대한 추가적인 이점을 얻을 수 있다.

[그림 13] 수동 및 활성 필터링을 사용하여 얻은 EMI 감쇠와 12V 입력, 5V/5A 출력 벅 컨버터의 두 가지 접근 방식 모두에서 필터링에 필요한 수동 인덕터 비교
(3) 제어 권선
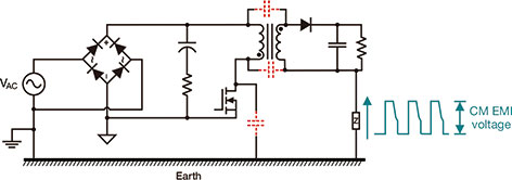
비절연 컨버터와 달리, 절연 경계를 가로지르는 추가 방출 경로는 절연 컨버터에서 공통 모드(CM) EMI의 주요 원인이다. 그림 14는 표준 플라이백 컨버터에서 절연 변압기를 가로지르는 기생 커패시턴스의 존재를 보여 준다. CM 전류는 각 스위치 노드와 관련된 기생 커패시턴스를 통해 1차에서 접지로 직접 흐를 수 있다.

수동 필터링의 크기를 최소화하기 위해 고출력 밀도 5~20V AC/DC 어댑터에 대한 실리콘 FET 레퍼런스 디자인을 갖춘 65W 능동 클램프 플라이백은 절연 컨버터에 특유한 제어 권선 및 차폐 기반 접근 방식을 사용한다. 그림 15에 나온 대로, 개선된 내부 변압기 구조는 CM 밸런스를 위해 내부 1차 층과 2차 층 사이에 삽입된 추가 보조 권선층(검은색으로 표시)을 둔다. 보조 CM 밸런스 층은 내부 반1차-2차 인터페이스를 차폐하고, 외부 반1차-이차 층으로부터 CM 주입을 무효화하기 위해 상쇄 CM 전압을 발생시킨다.

고주파 방출 감소의 혁신
지금까지 설명한 EMI 완화 기법은 일반적으로 저주파 방출(<30MHz)을 감소시키며, 필요한 수동 필터링의 양과 관련된 크기, 부피 및 비용 상 이점의 정도를 감소시킨다. 이제 고주파 방출(>30MHz)을 완화하기 위해 설계된 기법을 살펴보겠다.
(1) HotRod™ 패키지
고주파 방출을 줄이기 위한 주요 접근 방식 중 하나는 파워 루프 인덕턴스를 최소화하는 것이다. LM53635-Q1, LMS3655-Q1, LM61495-Q1, LMR33630-Q1 및 LM61460-Q1과 같은 TI의 스텝 다운 컨버터는 본드 와이어 패키지에서 리드프레임 기반 플립칩(HotRod) 패키지로 이동하여 파워 루프 인덕턴스를 낮추고 스위치 노드 링을 감소시킨다.
HotRod 패키지는 스위칭 전류가 흐르는 핀에서 본드 와이어로 인한 기생 인덕턴스를 최소화하기 위해 실리콘 다이를 뒤집고 리드 프레임에 직접 배치한다. 그림 16은 HotRod 패키지의 구성 및 이점을 보여준다.


(2) 개선된 HotRod™ QFN
개선된 HotRod 쿼드 플랫 무연(QFN) 패키지는 HotRod 패키지의 모든 EMI 감소 기능을 제공하며 스위치 노드 커패시턴스도 낮다는 추가 장점이 있어 링잉이 훨씬 낮아진다. 입력 전압(VIN)과 접지(GND) 핀의 저항-인덕터-커패시터(RLC) 기생도 마찬가지로 HotRod 패키지보다 개선된 HotRod QFN을 갖춘 디바이스에서 낮게 나타난다.
LM60440-Q1 스텝다운 컨버터는 개선된 HotRod QFN으로 제공되며, 그림 18은 핀아웃 및 기판 레이아웃을 보여준다. 개선된 HotRod QFN은 효율성을 향상시킬 뿐만 아니라 패키지의 중심에 큰 다이 부착 패드(DAP)가 있는 공간을 포함한다.


[그림 19] HotRod™ 와 개선된 HotRod™ 패키지 디바이스의 SW 노드 FFT 비교
(3) 통합된 입력 바이패스 커패시터
앞에서 설명했듯이, 큰 입력 전원 루프는 스위치 노드 링잉이 증가했기 때문에 고주파 대역에서 더 높은 방출을 초래한다. 디바이스 패키지 내부에 고주파 입력 디커플링 커패시터를 통합하면 입력 루프 기생을 최소화하여 EMI를 감소시키는 데 도움이 된다.
이 기법은 그림 20과 같이 스텝다운 컨버터인 LMQ62440-Q1에서 사용된다. 입력 전력 루프 인덕턴스를 줄이는 것 외에도 입력 고주파 커패시터의 패키지 통합은 솔루션이 최종 시스템의 기판 레이아웃 변경에 큰 영향을 받지 않도록 도와준다.


[그림 21] 통합 바이패스 커패시터가 있는 경우와 없는 경우 LMQ62440-Q1 디바이스의 방사 EMI 성능
(4) 진정한 슬루율 제어
앞서 언급한 기법에도 불구하고 일부 설계에서는 고주파 EMI(60~250MHz)가 여전히 지정된 표준 한계에 해당하지 않을 수 있다. 산업 표준을 통과하기 위해 마진을 완화하고 개선하는 한 가지 방법은 스위칭 컨버터의 부트 커패시터와 직렬로 저항을 사용하는 것이다. 저항을 사용하면 스위칭 에지 슬루율이 감소하여 EMI가 감소하지만 효율성 감소에 따른 페널티가 예상대로 발생한다.
LM61440-Q1 및 LM62440-Q1과 같은 스위칭 컨버터는 턴온 중에 하이사이드 FET 드라이버의 강도를 선택하는 데 저항을 사용할 수 있도록 설계되었다. 그림 22에서 보듯이, RBOOT 핀(청록색점 루프)을 통해 끌어온 전류를 곱하여 CBOOT(빨간색 파선)에서 끌어내어 하이사이드 전원 MOSFET를 켠다. 이렇게 하면 저항으로 슬루율이 제어되지만, 직렬 BOOT 저항으로 전류의 대부분의 구동할 때 발생하는 효율 손실은 겪지 않다. RBOOT가 CBOOT에 단락되면 상승 시간이 빨라진다.

스위치 노드 고조파는 150MHz 이상까지 롤오프되지 않다. CBOOT와 RBOOT가 700Ω을 통해 연결되어 있으면 13.5V에서 5V로 변환할 때 회전 시간이 10ns로 증가한다. 이렇게 상승 시간이 느리므로 스위치 노드 고조파의 에너지가 대부분의 조건에서 50MHz 가까이에서 롤 오프 될 수 있다.
EMI 모델링 기능
회로 모델링은 초기 단계에서 설계의 성능을 평가하는 중요한 방법이기 때문에 설계 사이클 시간을 줄이는 데 중요한 역할을 한다. EMI 모델링은 PCB의 주파수 영역 전자기 시뮬레이션뿐만 아니라 시간 영역 회로 분석을 포함하는 복잡한 프로세스이다. EMI 방출을 모델링하면 설계 반복 횟수를 줄임으로써 EMI 표준 한계를 더 빨리 충족시킬 수 있다. EMI 모델링을 위해 사용 가능한 몇 가지 옵션을 검토해 보겠다.
(1) WEBENCH® 설계 도구를 사용한 저주파 EMI 설계
WEBENCH 입력 필터 설계 도구를 사용하면 CISPR 32 및 CISPR 25와 같은 적합성 표준 준수를 위해 수행한 저주파수(<30MHz) 전도 EMI 잡음을 완화하기 위해 적절한 입력 필터를 자동으로 설계할 수 있다. 이 도구는 필터 크기를 최적화하면서 설계가 특정 표준을 준수하는지 확인한다. 또한 필터를 설계하는 동안 필터 안정성과 컨버터 루프 안정성을 보장한다. 이 온라인 도구는 100개가 넘는 TI 전원 장치를 지원한다.
입력 EMI 필터 인덕터를 비감쇠된 채로 두는 것은 일반적인 실수이며, 이는 전체 설계 안정성에 부정적인 영향을 미친다. WEBENCH 설계 도구는 입력 필터와 SMPS에 임피던스 분석을 수행하고(그림 23 참조) 안정성을 보장하기 위해 적절한 감쇠 부품을 제안한다.

[그림 23] WEBENCH® 설계 도구에 임피던스 분석을 포함한 입력 EMI 제안
(2) 데이터 시트에 게시된 전도 및 방사 EMI 결과
SMPS 디바이스 평가 모듈은 가장 엄격한 산업용 및 차량용 EMI 표준을 기준으로 테스트하며, 데이터 시트에 결과를 게시하여 디바이스의 EMI 성능을 사전에 이해하도록 돕는다. LM62440-Q1 데이터 시트의 EMI 보고서에는 CISPR 25 Class 5 전도 및 방사 설정에 대한 전체 데이터가 포함되어 있다. 또한 TI는 시스템 레벨 EMI 모델링 및 측정을 사내에서 수행하여 EMI 성능을 검증하고 사이클 시간을 단축하도록 지원할 수 있다.
마무리
전자 제품의 급속한 성장으로 인해 복잡한 시스템을 비교적 작은 공간에 밀집해 놓는 전력 컨버터의 설계에 엄청난 부담을 주었다. 민감한 시스템이 근접해 있어 EMI를 억제하는 것도 어렵다. 전력 컨버터를 설계할 때는 반드시 표준 기관이 규정한 한도를 준수하여 중요한 시스템이 잡음이 심한 환경에서 안전하게 작동할 수 있도록 각별히 주의해야 한다.
EMI를 낮출 수 있도록 설계하면 개발 주기 시간을 크게 줄일 수 있으며 기판 공간과 솔루션 비용도 절약할 수 있다. TI는 확산 스펙트럼, 활성 EMI 필터링, 제어 권선, 패키지 혁신, 통합 입력 바이패스 커패시터, 실제 슬루율 제어 방법론 등 EMI를 완화하기 위한 다양한 특징과 기술을 제공한다.
TI의 EMI에 최적화된 전원 관리 장치와 기술을 조합하여 사용하면, TI 구성 요소를 이용해 설계할 때가 많은 재작업 없이 산업 표준을 통과할 수 있다. TI 제품은 전력 밀도나 효율을 저하시키지 않고 최종 장비 EMI 한도를 유지할 수 있도록 해준다.
기사입력 : 2023-05-30
이더넷이 소프트웨어 정의 차량으로의 전환을 가속화하는 방법
작성자 : Madison Ecklund 외 1인
차세대 AI 컴퓨팅 성장: 고려해야 할 전력 공급 트레이드오프
작성자 : 텍사스 인스트루먼트
TOLL GaN으로 태양광 에너지 시스템의 한계를 확장하다
작성자 : Sai Madhav 외 1인
스마트 전력 분배: 자동차 기술의 미래를 형성하다
작성자 : David Martinez
초음파를 이용한 가스 유량 감지
작성자 : 레오나르도 에스테베즈 외 1인
GaN FET 기반의 10kW 단상 스트링 인버터의 설계 고려 사항
작성자 : Riccardo Ruffo 외 1인
새로운 접지 레벨 트랜스레이터로 오프셋 문제를 해결하는 방법
작성자 : TI 코리아
LiDAR의 도약: 정밀한 장거리 감지 기능으로 더 안전한 차량 개발
작성자 : Anthony Vaughan
작지만 강력한 성능의 MCU를 최적화하는 방법
작성자 : Alex Grudzinski
액티브 클램프 플라이 백 설계를 최적화하는 방법
작성자 : Sarmad Abedin