초음파를 이용한 가스 유량 감지
글/레오나르도 에스테베즈, 캐시 하오, 텍사스 인스트루먼트
이 글에서는 텍사스 인스트루먼트의 MSP430FR6043 마이크로컨트롤러(MCU)를 사용해 고성능 초음파 가스 미터를 구현하는 방법과, 대안인 제로 크로싱 방식에 비해 파형 캡처 방식이 가지는 장점에 대해 설명한다.
머리말
초음파를 이용한 가스 유량 감지는 초음파의 비행 시간(ToF)과 그 매질에서의 의존성과 거동을 활용한다. 체적 유량은 초음파 신호가 상류 방향과 하류 방향으로 전파되는 시간 차이를 측정하고 계산하여 구한다. 이 기술은 체적 유량을 측정하는 데 매우 우수하다.
가스 미터 구성
ToF 기반의 초음파 가스 미터는 종종 트랜스액셜(trans -axial) 또는 반사관(reflective-tube) 형태로 제작된다. 트랜스액셜 구성은 더 강한 초음파 신호와 더 높은 신호 대 잡음비(SNR)를 제공하지만, 유동하는 가스와의 초음파 접촉이 줄어들어 민감도는 낮아진다. 반사형 구성은 전자 회로와 트랜스듀서를 파이프의 같은 쪽에 설치할 수 있다는 장점이 있다.

[그림 1] 트랜스액셜 구성과 반사관 구성
초음파 송신 신호 구성
가스 미터링 응용에서는 트랜스듀서의 주파수가 일반적으로 160kHz에서 600kHz 사이이다. 높은 주파수의 초음파는 더 빠르게 감쇠하기 때문에, 고주파 트랜스듀서는 더 작은 파이프 지오메트리를 가진 좁은 공간에 적합하다.
MSP430FR6043 MCU에 통합된 초음파 서브시스템은 세 가지 다른 여기 모드를 제공한다. 단일 톤(single tone), 이중 톤(dual tone), 그리고 멀티톤(multitone)이다. 단일 톤과 이중 톤은 높은 SNR로 동작하는 트랜스듀서에 적합하지만, 멀티톤은 낮은 SNR로 동작하는 트랜스듀서에 더 나은 성능을 제공한다.
초음파 신호의 SNR은 트랜스듀서의 민감도, 간격, 가스에 의한 감쇠 등 여러 요인에 의해 결정된다. 단일 톤, 이중 톤, 멀티톤 패턴은 각각 다른 특징을 가진다.
온도가 변하면 가스 미터의 주파수 응답도 변한다. 극한의 온도에서는 송신과 수신 민감도가 모두 감소할 수 있다. 이로 인해 SNR이 감소하고, 단일 톤이나 이중 톤을 사용하는 경우 정확도가 떨어질 수 있다.

적절한 여기 대역을 결정하기 위해 Ultrasonic Design Center 그래픽 사용자 인터페이스(GUI)는 주어진 동작 온도에서의 주파수 응답을 실시간으로 그래프로 보여주는 주파수 응답 도구를 제공한다. 적절한 여기 대역을 결정하려면 여러 대표적인 미터를 선정해 극한 온도에서 주파수 응답을 특성화하는 것이 좋다. 이렇게 하면 트랜스듀서 제조 과정에서 발생할 수 있는 변동성까지 고려할 수 있다. 그림 3은 -35℃, 25℃, 65℃에서 트랜스듀서 쌍의 주파수 응답을 보여준다.
적절한 여기 대역을 결정한 후에는 펄스 수를 점진적으로 늘려가며 유량 상태에서 견고한 결과를 얻을 수 있다.

[그림 3] 온도에 따른 주파수 스윕 응답
초음파 수신 신호 구성
품질이 높고 안정적이며 견고한 수신 신호를 얻기 위해서는 유량과 온도로 인한 예상되는 변화와 진폭 변동을 고려해 수신 신호의 캡처 창과 이득을 조정해야 한다. 그림 4는 GUI에서 캡처한 파형을 보여준다. 좋은 수신 신호를 확보하려면 GUI 설정을 다음과 같이 조정한다.
• 프로그램 가능 이득 증폭기(PGA) 설정을 조정해 수신 신호의 진폭이 ±800 아날로그-디지털 컨버터(ADC) 카운트가 되도록 한다.
• 펄스 시작과 파형 캡처 사이의 간격을 조정해 수신 초음파 신호가 시작되기 전 캡처가 최소 50μs 지연되도록 한다.
• 수신 초음파 신호의 끝과 파형 캡처의 끝 사이에도 최소 50μs의 지연이 되도록 캡처 지속 시간을 조정한다.

[그림 4] 파형 캡처 결과
신호 흐름과 비행 시간(ToF) 측정
MSP430FR6043 MCU는 초음파 센싱(USS) 모듈을 사용해 전체 여기와 수신 과정을 수행한다. 시퀀스가 시작되면 MSP430FR6043은 첫 번째 트랜스듀서로 여기 펄스 열을 보낸다. 이후 두 번째 트랜스듀서가 일정한 전파 시간 T12 후에 신호를 수신하고 캡처한다. 송신과 수신 사이의 시간 차이가 상류 방향 비행 시간(ToFUPS)을 결정한다.
MSP430FR6043은 동일한 과정을 반대 방향으로 반복해 하류 방향으로 여기 및 캡처를 수행하며, 이때의 전파 시간 T21이 하류 방향 비행 시간(ToFDNS)을 나타낸다. 비행 시간 차이(DToF)는 T12와 T21의 차이로 계산된다.
DToF는 일반적으로 두 가지 기술로 측정한다. 하나는 시간-디지털 변환기를 이용한 제로 크로싱 방식이고, 다른 하나는 ADC를 이용해 파형을 캡처한 신호와 여기 신호를 상관시켜 계산하는 방식이다.
MSP430FR6043 MCU는 ADC 기반의 상관 기법을 사용해 ToF를 계산하며, 필요한 모든 기능은 USS 라이브러리에 포함되어 있다.
TI 기술
TI의 초음파 유량 감지 솔루션은 두 개의 초음파 트랜스듀서에 연결된 연산 증폭기를 내장한 MCU로 구성된다. 그림 5는 이 솔루션의 시스템 블록 다이어그램을 보여준다. 다른 솔루션과 달리, 이 시스템과 관련 트랜스듀서는 추가적인 전압 승압 없이 3V 배터리로 구동할 수 있다.

[그림 5] MSP430FR6043을 사용한 가스 미터 응용의 시스템 블록 다이어그램
(1) MSP430FR6043 MCU USS 모듈
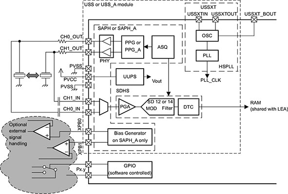
MSP430FR6043 MCU에는 초저전력 계량을 저비용으로 통합할 수 있도록 하는 USS 지적재산(IP) 블록이 포함되어 있다. 그림 6은 USS의 블록 다이어그램을 보여준다. USS 모듈에는 범용 전원 공급 장치, 전원 시퀀서, 프로그래머블 펄스 발생기, 물리적 드라이버와 임피던스 매칭 네트워크, PGA, 고속 위상 동기 루프, 시그마-델타 고속 ADC, 그리고 수신 시퀀서가 포함되어 있다. 이러한 각 블록은 MCU를 통해 구성 가능하며, 상류와 하류 초음파 신호를 독립적으로 여기하고 캡처할 수 있도록 한다.

[그림 6] USS 기능 블록 다이어그램
(2) 외부 증폭기
USS는 최대 30dB의 이득을 제공할 수 있지만, 가스 감쇠 조건에서도 수신 신호가 최소 1600 ADC 카운트가 되도록 충분한 이득을 확보하려면 외부 증폭기가 필요하다. OPA838 연산 증폭기는 단일 전원에서 2.7V에서 5.4V까지 동작한다. 더 낮은 동작 전압(2.5V)이 필요한 솔루션에는 핀 호환이 가능한 대체품인 OPA836을 사용할 수 있다.
(3) 장점
파형 캡처 기반 기법은 제로 크로싱 기법에 비해 다음과 같은 장점을 제공한다.
• 정확도 향상: 상관 기법은 디지털 필터 역할을 해 잡음을 억제하며, 약 3~4배 더 낮은 잡음 표준편차를 달성한다. 또한 상관 기법은 저역통과 필터 역할을 해 라인 잡음과 같은 간섭도 억제한다.
• 진폭 변화에 대한 강인성 향상: 여기 신호와 수신 신호 간의 상관은 수신 신호의 진폭, 트랜스듀서 간 편차, 온도 변화에 둔감하다.
• 제로 유량 드리프트 개선: 트랜스듀서의 주파수 응답이 온도에 따라 변화하더라도 트랜스듀서를 그 변화를 수용할 수 있는 주파수 대역으로 여기하면 제로 유량 상태에서의 DToF 변화를 최소화할 수 있다. 이렇게 드리프트를 줄이면 계량기 교정도 단순하고 경제적으로 수행할 수 있다.
• 저전력: TI의 솔루션은 초당 한 번 측정 기준으로 20μA 미만의 전류만으로도 전체 측정 결과를 제공한다.
(4) 결과
DToF의 단일 샷 표준편차는 유량이 0이고 주변 온도일 때 출력의 예상 분산을 나타내는 지표로 사용된다. 표준편차는 제로 유량 조건에서 계산된다. 그림 7은 MSP430FR6043 MCU를 이용한 가스 미터링에서 표준편차가 500ps 미만임을 보여준다. 이 결과는 OPA838 외부 증폭기를 사용해 얻었다.



[그림 9] MSP430FR6043 MCU를 이용한 가변 가스 유량 테스트 결과
결론
MSP430FR6043 MCU에 통합된 USS 서브시스템은 견고한 가스 미터 제품을 가능하게 하는 다양한 고급 주변 장치를 포함하고 있다. 이 솔루션에 구현된 파형 캡처 기반 기법은 제로 크로싱 기반 솔루션에 비해 더 높은 정확도, 강인성, 제로 유량 드리프트 개선을 제공한다. MSP430FR6043 MCU와 OPA838의 조합은 초저전력 소비와 함께 향상된 시스템 수준의 성능을 제공한다.
기사입력 : 2025-09-30
에지 AI 가속 Arm® Cortex®-M0+ MCU가 전자 기기에 더 많은 지능을 제공...
작성자 : 텍사스 인스트루먼트
이더넷이 소프트웨어 정의 차량으로의 전환을 가속화하는 방법
작성자 : Madison Ecklund 외 1인
차세대 AI 컴퓨팅 성장: 고려해야 할 전력 공급 트레이드오프
작성자 : 텍사스 인스트루먼트
TOLL GaN으로 태양광 에너지 시스템의 한계를 확장하다
작성자 : Sai Madhav 외 1인
스마트 전력 분배: 자동차 기술의 미래를 형성하다
작성자 : David Martinez
초음파를 이용한 가스 유량 감지
작성자 : 레오나르도 에스테베즈 외 1인
GaN FET 기반의 10kW 단상 스트링 인버터의 설계 고려 사항
작성자 : Riccardo Ruffo 외 1인
새로운 접지 레벨 트랜스레이터로 오프셋 문제를 해결하는 방법
작성자 : TI 코리아
LiDAR의 도약: 정밀한 장거리 감지 기능으로 더 안전한 차량 개발
작성자 : Anthony Vaughan
작지만 강력한 성능의 MCU를 최적화하는 방법
작성자 : Alex Grudzinski