클럭 & 타이밍 > 클럭발생 및 분배 > 클럭 분배 디바이스 > LTC6953
LTC6953의 주요 특징
• JESD204B 서브클래스 1 SYSREF 신호 발생
• 최대 RF: 4.5GHz
• 시간 지연을 디지털 방식으로 대략 정한 다음 아날로그 방식으로 미세하게 설정할 수 있는 11개의 독립적인 저잡음 출력
• 추가적인 출력 지터: <6fsRMS (12kHz~20MHz; 4.5GHz)
• 추가적인 출력 지터: 65fsRMS (ADC SNR 기법)
제품 설명
아나로그디바이스는 최대 7.5GHz RF 주파수의 JESD204B 서브클래스 1 클러킹 애플리케이션을 지원하고, 지극히 낮은 지터 수준과 고성능이 특징인 클럭 발생 및 분배기 신제품 LTC6952, LTC6953, LTC6955 및 LTC6955-1을 출시한다고 밝혔다. 이들 제품은 각각의 클럭마다 보완적인 SYSREF 신호를 갖고 있는 수천 개의 동기식 저지터 클럭을 제공할 수 있도록 확장이 가능한 아키텍처 때문에 고속 데이터 컨버터 클러킹 애플리케이션에 이상적이다.
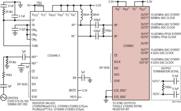
LTC6952는 고성능에 초저 지터 특성을 나타내며 JESD204B 표준을 만족하는 클럭 발생 및 분배기이다. 이 제품은 레퍼런스 디바이더, 위상 잠금 표시기를 포함한 위상 주파수 검출기(phase-frequency detector, PFD), 초저 노이즈 특성의 차지 펌프, 정수형 피드백 디바이더로 구성되는 PLL 코어를 탑재하고 있다. LTC6952의 11개의 출력은 JESD204B 서브클래스 1 표준을 만족하는 5쌍의 클럭/SYSREF과 1개의 범용 출력으로 설정하거나, 또는 JESD204B 표준을 필요로 하지 않는 애플리케이션의 경우에는 간단히 11개의 범용 클럭 출력으로 설정할 수 있다. 각각의 출력마다 프로그래밍이 가능한 주파수 디바이더와 출력 드라이버를 갖고 있다. 모든 출력들이 동기화가 가능한데, 위상 동기를 정밀하게 설정하려면 먼저 절반의 주기 만큼 디지털 방식으로 지연을 설정한 다음, 미세한 시간 지연은 아날로그 방식으로 설정하면 된다.
총 출력이 11개 이상 필요한 애플리케이션의 경우, EZSync™나 ParallelSync™ 동기화 프로토콜을 사용하여 여러 개의 LTC6952를 연결하면 된다.
LTC6953은 LTC6952의 클럭 분배 기능이다. LTC6955는 출력 그룹별로 3분의 1의 위상을 위상 내, 180°의 위상, 파워다운 중에서 선택하여 병렬 인터페이스 연결이 가능한 11개 출력의 팬아웃 버퍼이다. LTC6955-1은 11번째 출력에는 ½의 주파수 출력이 제공된다는 점 외에는 LTC6955와 동일하다.
이들 제품은 모두 52핀, 7mm x 8mm 플라스틱 QFN 패키지로 제공되며, 동작온도 –40°C~125°C이다. 사용하지 않는 출력은 파워다운 상태로 설정이 가능하다. 모든 제품의 샘플과 평가보드를 현재 공급 중이며, 양산 공급은 2018년 6월 말로 예정돼 있다.
일반적인 설계 예


애플리케이션
• 고성능 데이터 컨버터 클록 킹
• 무선 인프라
• 테스트 및 측정기기
|