스타트/스톱 기능을 사용하는 자동차에서 인포테인먼트 시스템 구동 문제
글/Bruce Haug, Product Marketing Manager, Power by Linear Controllers
Analog Devices, Inc.
머리말
자동차의 스톱/스타트 시스템은 연료를 절약할 수 있는 것으로 알려지고 있다. 명칭에서 알 수 있듯이 스톱/스타트 시스템은 정차 시에 엔진을 껐다가 다시 출발할 때는 엔진을 재빨리 재시작 한다. 정차했다 출발하기를 되풀이하는 운전 상황에서 이 시스템을 사용함으로써 상당 시간만큼의 배기가스 배출을 줄이고 연료를 절약할 수 있다. 이 시스템의 작동 원리는 간단하다. 적색 신호등이나 철도 건널목을 만나서 정차해야 할 때는 엔진을 가동할 필요가 없다. 엔진을 가동하지 않으면 에너지를 낭비하지 않는다. 그러므로 도심 교통의 경우에 이러한 시스템을 사용하지 않는 차량과 비교해서 연료 소모를 최대 8%까지 절약할 수 있다.
자동차 스타트/스톱 기능 때문에 운전의 편의성이나 안전성이 방해를 받지는 않는다. 엔진이 이상적인 동작 온도에 도달할 때까지는 이 기능이 작동하지 않기 때문이다. 에어 컨디셔너가 아직 차량 내부 온도를 원하는 온도로 맞추지 못하였거나, 배터리가 충분히 충전되지 않았거나, 운전자가 운전대를 움직일 때도 마찬가지다.
자동차 스타트/스톱 기능은 중앙 제어 유닛에 의해서 제어된다. 이 장치가 스타터 모터와 얼터네이터를 비롯한 모든 해당 센서들로부터의 데이터를 모니터링한다. 편의성이나 안전성 면에서 필요할 때는 이 제어 유닛이 자동으로 엔진을 재시작 한다. 예를 들면 자동차가 움직이기 시작하거나, 배터리 충전이 너무 낮게 떨어지거나, 앞유리에 성에가 끼었을 때를 들 수 있다. 더욱이 대부분의 시스템은 일시적으로 정차하는 것인지 아니면 운전을 완전히 마친 것인지를 구분할 줄 안다. 운전자의 안전벨트가 풀어져 있거나 차문이나 트렁크가 열려 있을 때는 엔진을 재시작 하지 않는다. 또 원한다면 버튼을 누르는 것으로(적어도 현재로서는) 스타트/스톱 기능을 완전히 끌 수도 있다.
그런데 엔진이 재시작 할 때 그리고 인포테인먼트 시스템이나 그 밖에 5V 이상을 필요로 하는 여타 전자 장치들이 켜져 있을 때 12V 배터리가 5V 아래로 떨어짐으로써 이러한 시스템들을 리셋 하게 만들 수 있다. 일부 내비게이션 또는 인포테인먼트 시스템은 5V 혹은 그 이상의 입력 전압으로 동작한다. 엔진 재시작 시에 입력 전압이 5V 아래로 떨어질 때 DC/DC 컨버터가 입력 전압을 스텝다운만 할 수 있다면 이러한 시스템들이 리셋 될 것이다. 자동차가 재출발할 때 이런 일이 발생되어서 듣고 있던 음악이 끊기거나 내비게이션 시스템이 리셋 된다면 결코 바람직하지 않을 것이다.
솔루션
Analog Devices는 바로 이러한 문제를 해결할 수 있는 제품을 출시했다. 트리플 출력 DC/DC 컨트롤러로서 Power by Linear의 LTC7815는 부스트 컨트롤러와 2개 스텝다운 컨트롤러를 단일 패키지로 결합했다. 고효율 동기 부스트가 2개 하위 동기 스텝다운 컨버터로 전력을 공급함으로써 자동차 배터리 전압이 약해지더라도 출력 전압 강하를 피할 수 있다. 그러므로 자동차 스타트/스톱 시스템에 사용하기에 매우 유용하다. 또한 자동차 배터리로부터의 입력 전압이 프로그램 된 부스트 출력 전압보다 높으면 부스트 컨트롤러가 100% 듀티 사이클로 동작해서 입력 전압을 그대로 스텝다운 컨버터로 전달함으로써 전력 손실을 최소화한다.
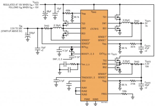
그림 1은 LTC7815를 사용한 회로 예로서, 부스트 컨버터가 스텝다운 컨버터들로 10V를 제공한다. 2개 스텝다운 컨버터가 각 5V/7A 및 3.3V/10A를 제공하는 것과 더불어서, 부스트 컨버터를 세 번째 출력으로 사용해서 추가적인 2A를 제공할 수 있다. 이 회로는 28VIN에 이르기까지 2.1MHz 동작을 유지하며, 28V 이상일 때는 사이클을 건너뛴다.

[그림 1] LTC7815를 사용해서 2.1MHz로 동작하는 스타트/스톱 애플리케이션 예
LTC7815는 스타트업 동안에는 4.5V~38V의 입력 전압으로 동작하며, 스타트업 후에는 최저 2.5V에 이르기까지 동작을 유지한다. 동기 부스트 컨버터는 최대 60V의 출력 전압을 제공할 수 있으며, 입력 전압이 충분히 높으면 동기 스위치를 완전 온(fully on)으로 작동해서 입력 전압을 그대로 통과시킬 수 있다. 그럼으로써 효율을 극대화할 수 있다. 2개 스텝다운 컨버터는 0.8V~24V의 출력 전압을 제공할 수 있으며, 이러한 전체적인 시스템이 최대 95%에 이르는 효율을 달성한다. 또한 45ns의 낮은 최소 온(on) 시간은 2MHz로 스위칭 하면서 높은 비율의 스텝다운 변환을 가능하게 하고, AM 라디오 같은 잡음에 민감한 주파수 대역을 피할 수 있으며, 더 작은 크기의 외부 소자를 사용할 수 있다.
또한 LTC7815는 Burst Mode® 동작으로 구성할 수 있다. 그러면 무부하로 출력 전압 레귤레이션을 유지하면서 정지 전류를 채널당 28?A로 낮출 수 있다(3개 채널 모두 이 기능을 사용하면 정지 전류를 38?A로 낮출 수 있다). 그러므로 항상 켜져 있는 “always-on” 시스템에서 배터리 사용 시간을 절약할 수 있다. 강력한 1.1? 온보드 완전 N-채널 MOSFET 게이트 드라이버는 스위칭 손실을 최소화하고 채널당 10암페어 이상의 출력 전류를 제공할 수 있다. 이 전류 용량은 외부 소자에 의해서만 제한적이다. 또한 인덕터 상의 전압 강하(DCR)나 별도의 검출 저항을 사용해서 각 컨버터의 출력 전류를 검출한다. LTC7815의 정주파수 전류 모드 아키텍처는 320kHz부터 2.25MHz까지의 주파수를 선택할 수 있으며, 동일 범위의 외부 클록으로 동기화할 수도 있다.
배터리 사용 시간 연장
배터리로 구동되면서 시스템의 나머지 부분은 꺼져 있는 동안에도 계속해서 항상 켜져 있어야 하는(“always-on”) 시스템들은 배터리 에너지를 절약하도록 설계되어야 한다. 이런 상태를 슬립 모드라고도 하고, 대기 모드라고도 하고, 휴지 모드라고도 한다. 이러한 시스템은 정지 전류가 매우 낮아야 한다. 배터리 에너지를 절약하기 위해서 정지 전류가 낮아야 하는 것은 특히 자동차 애플리케이션에서 중요한 요구이다. 자동차는 텔레매틱스, CD/DVD 플레이어, 리모트 키리스 엔트리, 다중의 “always-on” 버스 라인을 비롯한 전자 회로를 다수 포함하기 때문이다. 그러므로 대기 모드 시에 이러한 시스템들의 집합적인 전류 소모를 되도록 최소화해야 한다. 자동차의 전자 시스템에 대한 의존도가 갈수록 높아짐에 따라서 배터리 에너지를 절약하도록 요구하는 압박은 점점 더 거세지고 있다.
부스트 컨버터와 벅 컨버터 중의 하나를 켜고서 슬립 모드이면 LTC7815가 28?A만을 소모한다. 모든 3개 채널을 켜고서 슬립 모드이면 LTC7815가 38?A만을 소모한다. 그러므로 배터리 사용 시간을 크게 늘릴 수 있다. 그러려면 이 디바이스를 고효율 Burst Mode 동작으로 전환하도록 구성하면 된다. 그러면 LTC7815가 출력 커패시터로 짧은 간격의 전류 버스트를 제공하고 이어서 슬립 간격에는 출력 커패시터만이 부하로 출력 전력을 제공한다. 그림 2는 이 동작의 개념적인 타이밍 다이어그램을 보여준다.

[그림 2] LTC7815의 Burst Mode 동작 전압 다이어그램
슬립 모드 시에는 재빨리 응답할 수 있도록 필요한 중요 회로를 제외하고 내부 회로 대부분을 턴오프 시킨다. 출력 전압이 충분히 낮아지면 슬립 신호가 활성화되고 컨트롤러가 상단 외부 MOSFET을 온으로 스위칭 해서 정상적인 Burst Mode 동작을 재시작 한다. 또는 사용자가 경부하 전류에서도 강제 연속 또는 정주파수 펄스 스킵핑 모드로 동작하기를 원할 수 있다. 두 모드 모두 손쉽게 구성할 수 있으며, 다만 정지 전류는 좀더 높다.
효율/솔루션 크기
그림 3에서는 그림 1 회로의 5V 출력의 효율이 약 90%라는 것을 알 수 있다. 동작 주파수를 2.1MHz에서 300kHz로 낮추면 3~4% 더 높은 효율을 달성할 수 있다.

[그림 3] LTC7815의 부하 전류에 따른 효율
그림 4는 그림 1 회로의 데모 보드로서, 가장 키가 큰 부품이 높이가 4.8mm이다.

[그림 4] LTC7815 데모 보드 상단면 및 하단면 모습
보호 기능
LTC7815는 DCR(인덕터 저항)이나 검출 저항을 사용해서 출력 전류를 검출하도록 구성할 수 있다. 두 전류 검출 방식 중에서 어떤 것을 선택하느냐는 비용, 전력 소모, 정확도 등을 따져서 선택할 수 있다. DCR 검출이 점점 인기가 높아지고 있다. 비싼 전류 검출 저항을 사용하지 않아도 되고 전력 효율이 좀더 우수하기 때문에 특히 고전류 애플리케이션에 사용하기에 유용하다. 검출 저항은 좀더 정확한 전류 검출을 할 수 있다.
온보드 비교기는 벅 출력 전압을 모니터링하고 이 출력이 공칭 값보다 10% 이상 높아지면 과전압 조건이 발생되었다는 것을 알려준다. 이 조건이 발생되면 상단 MOSFET을 턴오프 시키고 과전압 조건이 해소될 때까지 하단 MOSFET을 턴온 시킨다. 과전압 조건이 지속되는 한 하단 MOSFET이 계속해서 턴온 된다. 출력 전압이 다시 안전한 수준으로 돌아가면 자동으로 정상 동작을 재개한다.
온도가 과도하게 높아지거나 칩 내부적으로 과도한 열이 발생되면 과열 셧다운 회로가 LTC7815를 셧다운 시킨다. 접합부 온도가 대략 170?C를 넘으면 과열 회로가 온보드 바이어스 LDO를 정지시켜서 바이어스 전원이 제로 볼트로 떨어지게 만든다. 그럼으로써 전체적인 LTC7815를 효과적으로 질서정연하게 셧다운 시킨다. 접합부 온도가 약 155?C로 떨어지면 LDO가 다시 턴온 된다.
맺음말
자동차 스타트/스톱 시스템은 연료를 절약할 수 있다. 이 시스템이 앞으로 몇 년 간 계속해서 진화할 것이다. 이 시스템과 관련해서 5V 혹은 그 이상의 전압을 필요로 하는 온보드 인포테인먼트 또는 내비게이션 시스템을 구동하는 문제에 주의를 기울여야 한다. 엔진이 재시작 할 때 자동차 배터리 전압이 5V 아래로 떨어질 수 있고, 그러면 이러한 시스템들이 리셋 될 수 있기 때문이다. LTC7815는 바로 이 문제를 해결하는 제품으로서, 배터리 전압을 안전한 동작 수준으로 부스트 할 수 있다. 여기에다 2개의 스텝다운 컨트롤러를 결합함으로써 스타트/스톱 시스템을 사용하는 자동차에서 다양한 전자 장치들을 구동하는 데 사용하기에 적합하다.
기사입력 : 2018-06-01
스위치 모드 전원장치의 전류 감지 - 제3부: 전류 감지 방법
작성자 : Henry Zhang 외 1인
스위치 모드 전원장치의 전류 감지 - 제1-2부: 기본 사항
작성자 : Henry Zhang 외 2인
스타트/스톱 기능을 사용하는 자동차에서 인포테인먼트 시스템 구동 문제
작성자 : Bruce Haug
MOSFET 게이트 앞에 100Ω 저항을 사용하는 것이 꼭 필요할까?
작성자 : Aaron Schultz
항공우주 및 방위 산업의 과제와 해결책
작성자 : Steve Munns
무선 센서 노드를 배터리 없이 온도 차이를 이용해서 구동 ②
작성자 : Bruce Haug
Refulator™: 정밀 전압 레퍼런스이면서 200mA가 가능한 정확도 뛰어난 ...
작성자 : Michael B. Anderson
무선 센서 노드를 배터리 없이 온도 차이를 이용해서 구동 ①
작성자 : Bruce Haug
고신뢰성 전원 시스템 용으로 향상된 보호와 안전성 기능을 제공하는 IC...
작성자 : Steve Munns
무선 의료용 계측기에 이상적인 새로운 전력 IC
작성자 : Tony Armstrong
Refulator™ - 정밀도와 전력에 대한 요구를 한 번에 해결
작성자 : Michael B. Anderson
전압 레일에 관한 사각지대를 없애다
작성자 : Bruce Haug
|