클럭 & 타이밍 > 클럭 발생 및 분배 > 클럭 분배 디바이스 > LTC6951
제품특징: LTC6951
• VCO가 내장된 저잡음 Integer-N PLL
• 90fs RMS 출력 지터 (12kHz~20MHz)
• 115fs RMS 출력 지터 (ADC SNR 기법)
• 250MHz일 때 노이즈 플로어 출력 지터 = -165dBc/Hz
• EZSyncTM 다중칩 클록 에지 동기화
• JESD204B, Subclass 1을 위한 SYSREF 생성
• 1.95MHz~2.5GHz 출력 주파수 (LTC6951)
제품설명
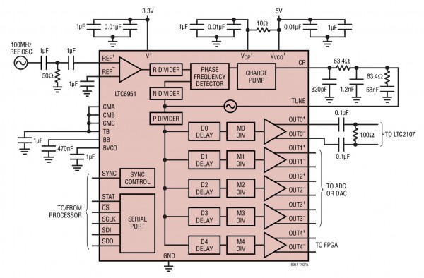
LTC는 통합형 VCO 및 초저 지터 클록 분배 섹션을 갖춘 낮은 위상 잡음 integer-N 신시사이저(제품명: LTC6951)를 출시했다고 밝혔다. 이 제품은 데이터 컨버터에 클럭을 제공하는데 이상적이다. LTC6951은 4개의 고성능 CML(current mode logic) 출력을 제공하며, 각 출력은 독립적인 저잡음 클록 디바이더와 디지털 지연 블록을 갖추고 있어 1.95MHz 및 2700MHz 사이의 폭넓은 주파수 범위를 커버한다. 총 115fs RMS 절대 지터값(SNR 기법)을 갖춘 LTC6951은 빠른 입력 주파수 및 고속 출력 데이터 속도로 데이터 컨버터에 클럭을 제공할 때 최고 수준의 SNR 달성을 위한 필수적인 낮은 지터 클록을 제공한다.
LTC6951은 출력 클록 확장을 비롯해 여러 개의 도터 카드 또는 대규모 데이터 컨버터를 갖춘 시스템에 필요한 대규모 클록 트리의 설계를 간소화할 수 있는 3개의 인공지능형 회로를 도입했다. 리니어 테크놀로지의 독자적인 EZSyncTM 출력 동기화 기법은 LTC6951 에서 모든 클록 디바이더 출력 간 반복적이고 결정적인 위상 관계를 보장하며 EZSync 지원 디바이스를 따르고 있다. ParallelSyncTM 다중칩 병렬 동기화 기능을 통해 여러 개의 LTC6951 IC에 대한 출력은 공통적인 레퍼런스 클록으로 리타임(retime) 된다. 이 같은 특징은 나노세컨즈 범위에서 설정 및 보류 시간(hold time) 요건을 쉽게 충족시키는 레퍼런스 클록 영역으로 레퍼런스 조정의 동기화를 허용한다. EZ204SyncTM JESD204B 서브클래스 1을 준수하는 동기화 기법은 기존의 두 가지 방식으로 구축되며 여러 개의 병렬로 연결된 LTC6951과 다른 EZSync 호환 클록 디바이스 간의 JEDEC 표준에 필수적인 SYSREF 및 DEVCLK 신호를 생성할 수 있다.
LTC6951과 설계하는 방법은 LTC6951Wizard 시뮬레이션과 디자인 툴을 사용해 간단하다. LTC6951Wizard 소프트웨어는 적절한 PLL 설정과 루프 필터 부품 값을 버튼 한 번의 클릭으로 제공하며, 개별적인 출력의 위상 잡음 및 지터를 정밀하게 예측한다. 성능 시뮬레이션 이외에, LTC6951Wizard GUI는 클록 디바이더, 지연 및 동기화 설정을 기반으로 하는 LTC6951 출력의 시간 도메인 결과를 시뮬레이트하는 스쿱 플롯(scope plot)의 특징을 제공하며, 설계 과정을 간소화시키고 회로 디버깅 위상에서 지원한다.
LTC6951은 -40°C~105°C 의 전체 동작 정션 온도 범위에서 동작을 보장한다. 이 제품은 공간 절약형 5mm × 7mm, 40핀 플라스틱 QFN 패키지로 이용할 수 있다. LTC6951은 1,000개 수량 기준으로 개당 8.75달러로 책정되었으며 즉시 이용할 수 있다.
일반적인 설계 예


애플리케이션
• 고성능 데이터 컨버터 클록킹
• 무선 인프라
• 테스트 및 측정
|