클럭 & 타이밍 > 클럭 발생 및 분배 > 클럭 분배 디바이스 > LTC6954
제품특징: LTC6954
• 고속/고해상도 ADC 클록킹에 적합한 저잡음 클록 분배
• 20fs RMS 미만의 가산지터(12kHz~20MHz)
• 85fs RMS 미만의 가산지터(10Hz~Nyquist)
• 1.8GHz 최대 입력 주파수 (LTC6954-1, DELAY = 0일 때)
• 1.4GHz 최대 입력 주파수(LTC6954-1, DELAY > 0일 때, LTC6954-2, -3, -4)
• EZSyncTM 클록 동기화 호환 가능
• 독립적인 저잡음 출력 3개
• 4가지의 출력 조합 이용 가능
• 1~63의 모든 정수를 다루는 독립적인 프로그램가능한 디바이더 3개
• 0~63의 모든 정수를 다루는 독립적인 프로그램 가능한 디바이더 3개
• -40°C~105°C 정션 온도 범위
제품설명
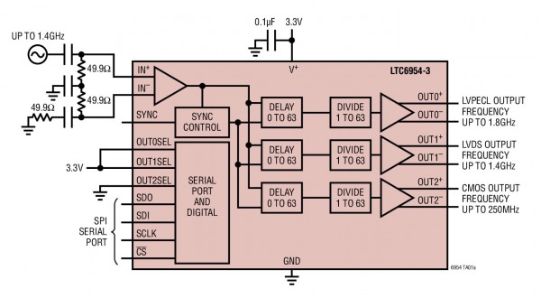
LTC는 3개의 독립적인 출력을 갖춘 지터가 매우 낮은 1.8GHz 클록 분배 칩 제품군(제품명: LTC6954)을 출시했다고 발표했다. 12kHz~20MHz 대역폭에서 20fsRMS 미만의 가산 지터(Additive Jitter) 기능을 제공하는 LTC6954는 도입되는 잡음량을 최소화하면서 입력 클록을 나누어 분배시킨다. 이 기능을 통해서 LTC6954는 고해상도 데이터 컨버터를 구동시킬 때 최상의 신호대 잡음비율(signal-to-noise ratios: SNR)을 달성하기 위해 필수적인 낮은 지터 클록을 제공할 수 있다. 예를 들어, 낮은 지터 ADC 클록킹은 RF 또는 높은 IF 신호와 같은 아날로그 고주파를 디지털화할 때 매우 중요하며, LTC6954가 이러한 시스템에서 이상적인 클록킹 솔루션을 만들어 준다.
LTC6954 제품군은 4개의 버전을 포함하며, LVPECL 및 LVDS/CMOS 출력 로직 드라이브의 다양한 조합을 제공한다. 이 같은 특징은 다른 로직 신호를 수용하는 수많은 디바이스 기기들을 최적으로 연결할 수 있는 유연성을 제공한다. 단일 3.3V 전원으로 공급받고 SPI를 통해 프로그램되는 LTC6954는 1 과 63 사이의 정수로 입력 클록을 독립적으로 나누며, 0~63의 입력 클록 싸이클별로 각가의 출력을 독립적으로 지연시키는 성능도 제공한다. 이 같은 특징은 통신 시스템에서 I 및 Q 채널의 ADC(analog-to-digital converter)를 구동하는 데 필수적인 위상 변환 클록을 만드는데 이용된다.
독립적인 클록 분배기로써의 성능과 함께, LTC6954는 리니어 테크놀로지의 독자적인 EZSyncTM 동기화 기법을 제공한다. 간단한 펄스로 트리거된 EZSync 동기화는 하나의 칩 또는 다중 칩에서 다중 출력의 라이징 에지(rising edge)를 조정하여 모든 클록 디바이더 출력 간의 반복적이고 결정적인 위상 관계를 생성한다. LTC6954는 LTC6950롤 생성되는 낮은 지터 에지로 조정된 클록 출력의 수를 확장하는 후속 제품으로써 LTC6950와 짝을 이룰 수 있다.
LTC6954는 -40°C~105°C의 전체 동작 정션 온도 범위에서 특화되었으며 4mm × 7mm, 36핀 플라스틱 QFN 패키지로 제공된다. 이 제품은 현재 양산 중이며, 1,000개 수량 기준으로 개당 7.50달러로 책정되어 있다.
일반적인 설계 예


애플리케이션
• 고속, 고해상도 ADC, DAC 및 데이터 수집 시스템 클럭킹
• 낮은 지터 클록 분배
|