전원 관리 > LDO 리니어 레귤레이터 > LDO 플러스 > LT3042

LT3042
20V, 200mA, 극저잡음, 극히 높은 PSRR, RF 선형 레귤레이터

제품의 특징
• 극히 낮은 RMS 잡음: 0.8µVRMS(10Hz~100kHz)
• 극히 낮은 스팟 잡음: 10kHz로 2nV/√Hz
• 극히 높은 PSRR: 1MHz로 79dB
• 출력 전류: 200mA
• 넓은 입력 전압 범위: 1.8V~20V
• 단일 커패시터를 사용해서 잡음과 PSRR 향상
• 100µA SET 핀 전류: ±1% 초기 정확도
• 단일 저항을 사용해서 출력 전압 프로그램 가능
• 높은 대역폭: 1MHz
• 전류 한계 프로그램 가능
• 낮은 드롭아웃 전압: 350mV
• 출력 전압 범위: 0V~15V
• Power Good 프로그램 가능
• 빠른 스타트업
• 정밀한 인에이블/UVLO
• 병렬로 연결해서 더 낮은 잡음으로 더 높은 전류 제공
• 폴드백 기능을 사용한 내부적 전류 제한
• 최소 출력 커패시터: 4.7µF 세라믹
• 역 배터리 및 역 전류 보호
• 10리드 MSOP 및 3mm x 3mm DFN 패키지

제품 설명
LT3042는 고성능 LDO 선형 레귤레이터 제품이다. 극히 낮은 잡음과 극히 높은 PSRR을 달성하는 LTC의 고유 아키텍처를 적용함으로써, 잡음에 민감한 RF 애플리케이션에 사용하기에 적합하다. 고성능 전압 버퍼 전위에서 정밀 전류 레퍼런스로 사용되도록 설계된 LT3042는 손쉽게 병렬로 연결해서 잡음을 추가적으로 더 낮추고, 출력 전류를 높이고, PCB 상으로 열을 분산시킬 수 있다.

이 제품은 정격 350mV 드롭아웃 전압으로 200mA를 제공한다. 정지 전류는 공칭 2mA이며, 셧다운 시에는 1µA 미만으로 낮아진다. LT3042는 넓은 출력 전압 범위(0V~15V)로 단위 이득 동작을 유지하므로, 프로그램된 출력 전압에 상관 없이 거의 일정한 출력 잡음, PSRR, 대역폭, 부하 레귤레이션을 제공한다. 또한 이 제품은 전류 한계를 프로그램할 수 있고, 빠르게 스타트업할 수 있으며, 출력 전압 레귤레이션을 지시하는 Power Good 신호를 프로그램할 수 있다.

LT3042는 최소 4.7µF 세라믹 출력 커패시터를 사용해서 안정적으로 동작할 수 있다. 보호 기능들로는 역 배터리 보호, 역 전류 보호, 폴드백 기능을 사용한 내부적 전류 제한, 히스터리시스를 사용한 과열 제한을 포함한다. LT3042는 열 향상 10리드 MSOP와 3mm x 3mm DFN 패키지로 제공된다.

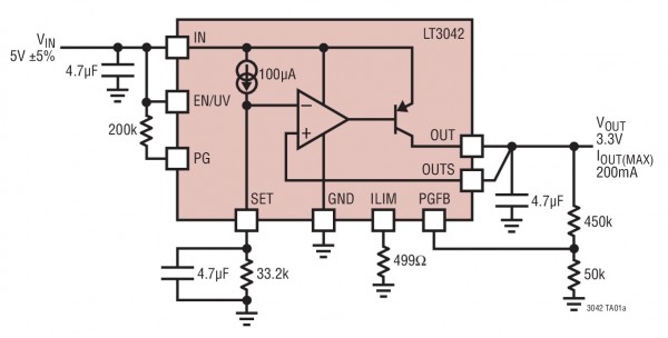
일반적인 설계 예

lt3042-1.jpg

lt3042-2.jpg

애플리케이션
• RF 전원 제공: PLL, VCO, 믹서, LNA
• 극히 낮은 잡음을 요구하는 계측 장비
• 고속/고정밀 데이터 컨버터
• 의료 장비: 영상, 진단
• 정밀 전원장치
• 스위칭 전원장치의 후위 레귤레이터

PRODUCTS



LT8602
전원 관리 > 스위칭 레귤레이터 > 스텝-다운(벅) 레귤레이터 > 높은 입력 전압 벅 > LT8602 42V 쿼드 동기식 스텝다운 DC/DC 컨버터 93% 효율 제공 및 3V ~ 42V 입력으로 동작
LTM4620A
전원 관리 > 스위칭 레귤레이터 > 스텝다운(벅) 레귤레이터 > 다중 출력 벅 > LTM4620A 듀얼 13A 또는 단일 26A DC/DC µModule (파워 모듈) 레귤레이터
LTC3779
전원 관리 > 스위칭 레귤레이터 > 벅-부스트 레귤레이터 > 외부 파워 스위치 벅-부스트 > LTC3779 150V 동기식 벅-부스트 컨트롤러 서지 보호 디바이스가 필요 없는 최대 99% 효율
LTC3777
전원 관리 > 스위칭 레귤레이터 > 벅-부스트 레귤레이터 > 외부 파워 스위치 벅-부스트 > LTC3777 150VIN 및 VOUT 동기식 4-스위치 벅-부스트 컨트롤러 스위칭 바이어스 서플라이 통합
LTC3853
전원 관리 > 스위칭 레귤레이터 > 스텝-다운(벅) 레귤레이터 > 외부 파워 스위치 벅 컨트롤러 > LTC3853 24V 트리플 출력 동기식 스텝다운 컨트롤러 -55°C~150°C 동작 접합 온도 범위 제공
1 2 3 4 5 6 7 8 9 10

© 2018 Analog Devices | SITE MAP | RSS YouTube Twitter facebook Google Plus LinkedIn Managed by SemiNet

본 사이트 내의 콘텐츠를 무단 복제 사용시 관계 법령에 의거 처벌을 받을 수 있습니다.