전원 관리 > 배터리 관리 > 멀티셀 배터리 스택 모니터 > LTC6810-2

LTC6810-2
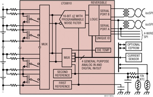
주소 지정 가능한 인터페이스 기능이 있는 6-채널 배터리 스택 모니터

LTC6810-2의 주요 특징
• 직렬로 최대 6개까지 연결된 배터리 셀 측정
• 최대 총 측정 오차 : 1.8mV
• 100개의 셀을 지원하는 스택 가능한 아키텍처
• isoSPI™ 인터페이스 내장
• 시스템의 모든 셀을 측정하는데 290μs 소비
• 1Mb 절연된 직렬 통신
• 단일 트위스트 페어, 최대 100 미터
• 낮은 EMI 민감도 및 방사
• 단선 보호를 위한 양방향 통신
• 5V까지 보장된 성능
• 중복 셀 측정 수행
• ISO26262 준수 시스템을 위한 설계
• 프로그래밍 가능한 펄스 폭 변조를 통한 수동 셀 밸런싱 기능
• 4개의 범용 디지털 I/O 또는 아날로그 입력
• 온도 또는 기타 센서 입력
• I2C 또는 SPI 마스터로 구성 가능
• 슬립 모드 소비 전류 : 4μA
• 44-리드 SSOP 패키지

제품 설명 
LTC6810은 멀티 셀 배터리 스택 모니터이다. LTC6810은 최대 6개까지 직렬로 연결된 배터리 셀을 측정하며 총 측정 오차는 1.8mV 미만이다. 0V~5V의 셀 측정 범위는 LTC6810을 대부분의 배터리 화학 물질에 적합하게 한다. 6개 셀 모두 290μs에서 측정할 수 있으며 높은 잡음을 줄이기 위해 데이터 수집 속도를 선택할 수 있다.

여러 개의 LTC6810-1 디바이스를 직렬로 연결하여 긴 고전압 배터리 스트링의 셀 모니터링을 동시에 수행할 수 있다. 각 LTC6810은 무선 통신의 영향을 받지 않고 고속으로 장거리 통신을 위한 isoSPI 인터페이스를 갖추고 있다. LTC6810-1을 사용하면 여러 디바이스들은 모두 하나의 호스트 프로세서에 연결되어 데이지 체인으로 묶을 수 있다. LTC6810-1은 양방향으로 동작하기 때문에 끊어진 와이어와도 통신할 수 있다. LTC6810-2를 사용하면 여러 디바이스들은 호스트 프로세서에 병렬로 연결되며 각 디바이스는 개별적으로 주소가 지정된다.

LTC6810은 배터리 스택 또는 절연된 전원장치로부터 직접 전원을 공급받을 수 있다. LTC6810은 각 셀에 대한 PWM 듀티 사이클 제어 기능과 중복 셀 측정 기능을 갖춘 각 셀에 대한 수동 밸런싱 기능을 포함하고 있다. 다른 기능으로는 온보드 5V 레귤레이터, 4개의 범용 I/O 라인 및 전류 소비가 4μA까지 감소되는 슬립 모드가 있다.

일반적이 설계 예

LTC6810-1-6810-2-acl.jpg

LTC6810-1-6810-2-pg.jpg

애플리케이션
• 전기 및 하이브리드 자동차
• 백업 배터리 시스템
• 그리드 에너지 저장
• 고전원 휴대용 장치


PRODUCTS



LTC4121
전원 관리 > 에너지 하베스팅 > LTC4121 400mA 동기식 벅 배터리 충전기 40V 동작으로 다양한 입력 소스 조건 충족
LTC3255
전원 관리 > 인덕터리스 (차지 펌프) DC/DC 컨버터 > 고전압 차지 펌프 > LTC3255 60V 오류 보호형 50mA 스텝다운 충전 펌프 입력 전류 두 배 기능의 레귤레이트 출력 제공
LT8364
전원 관리 > 스위칭 레귤레이터 > 반전 레귤레이터 > LT8364 4A, 60V 스위치가 내장된 낮은 IQ 부스트/SEPIC/반전 컨버터 60V, 4A 내장 스위치 및 9µA 대기전류 특징
LTM8002
전원 관리 > µModule 레귤레이터 > µModule 벅 레귤레이터 > LTM8002 40VIN, 2.5A 사일런트 스위처 µModule 레귤레이터
LTC3639
전원 관리 > 스위칭 레귤레이터 > 스텝-다운(벅) 레귤레이터 > 높은 입력 전압 벅 > LTC3639 100mA 동기식 벅 컨버터 150V 입력 & 12µA에 불과한 대기 전류 특징
1 2 3 4 5 6 7 8 9 10

© 2018 Analog Devices | SITE MAP | RSS YouTube Twitter facebook Google Plus LinkedIn Managed by SemiNet

본 사이트 내의 콘텐츠를 무단 복제 사용시 관계 법령에 의거 처벌을 받을 수 있습니다.