인터페이스 & 절연 > 절연 기술 > isoPower > ADP1031
주요 특징
• 넓은 입력 공급 전압 범위: 4.5V ~ 60V
• 통합된 플라이백 전원
• 독립적인 절연형 바이폴라 출력과 출고 전 미리 출력 전압 프로그램 가능한 벅 출력
∘ VOUT1: 21V, 24V, 또는 6V ~ 28 V
∘ VOUT2: 5.15V, 5.0V, 또는 3.3V
∘ VOUT3: −24V ~ −5V
제품설명
ADP1031은 절연형 플라이백 DC/DC 레귤레이터와 인버팅 DC/DC 레귤레이터, 벅 DC/DC 레귤레이터를 결합하여 3개의 절연형 파워 레일을 제공하는 고성능 절연형 마이크로 파워 관리 유닛(PMU)이다. 이와 함께 ADP1031은 낮은 발열과 작은 솔루션 크기가 요구되는 채널대채널 애플리케이션을 위한 4개의 고속 SPI 절연 채널과 3개의 범용 아이솔레이터를 포함하고 있다. 주요 애플리케이션에는 산업 자동화, 공정 제어, 계측, 데이터 수집 시스템, 데이터 및 전원 절연 등이 포함된다.
+4.5V ~ +60V의 입력 전압 범위에서 동작하는 ADP1031은 VOUT1으로 +6V ~ +28V(가변 버전) 또는 +21V과 +24V(고정 버전)의 절연형 출력 전압을 생성한다. VOUT2로는 출고 전에 미리 출력 전압 프로그램 가능한 +5.15V, +5.0V, 또는 +3.3V의 벅 출력 전압을, VOUT3로는 -24V ~ -5V의 조절가능한 출력 전압을 각각 생성한다. 기본적으로 ADP1031 플라이백 레귤레이터는 250kHz의 스위칭 주파수로 동작하며, 벅 및 인버팅 레귤레이터는 125kHz로 동작한다.
이들 3개의 레귤레이터들은 모두 EMI를 줄이기 위해 각 채널간 주파수 위상이 변위 되어 있다. ADP1031은 예민한 애플리케이션에서 노이즈 필터링이 용이하도록 350kHz ~ 750kHz 범위에서 외부 오실레이터에 의해 구동이 가능하다. ADP1031에 내장된 디지털 절연기는 저전력 및 낮은 EMI 방사에 최적화된 ADI의 iCoupler® 칩 스케일 트랜스포머 기술을 사용한다. ADP1031은 9 mm × 7 mm 크기의 41핀 LFCSP로 공급되며, 접합 온도 범위는−40°C ~ +125°C이다.
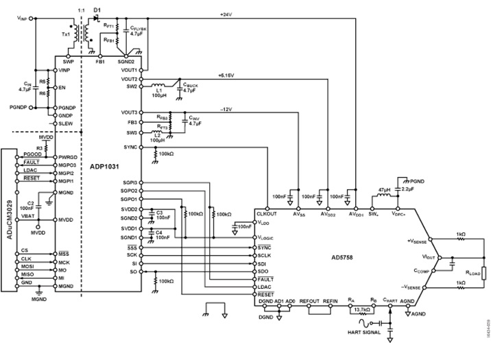
외관 및 일반적인 설계 예



애플리케이션
• 산업 자동화, 공정 제어
• 계측, 데이터 수집 시스템
• 데이터 및 전원 절연
|