A/D 컨버터 > 표준 ADC > 정밀급 ADC < 20 MSPS > 싱글 채널 A/D 컨버터 > LTC2378-20

LTC2378-20
대기지연 없는 SAR ADC
혁신적인 0.5ppm INL, 1Msps 성능 제공 및 진정한 20비트 정밀도 달성
LTC2378-20의 주요 특징
• 1Msps 처리속도
• ±0.5ppm INL (Typ), ±2ppm INL (Max)
• 20비트 분실 코드 없음 보장
• 저전력: 1Msps일 때 21mW, 1ksps일 때 21µW
• fIN = 2kHz일 때 104dB SNR (Typ)
• fIN = 2kHz일 때 -125dB THD (Typ) 
• DGC(Digital Gain Compression)
• 85°C 동작 보장
• 2.5V 전원
• 차동 검색 입력 범위 ±VREF
• VREF 입력 범위: 2.5V~5.1V
• 파이프라인 지연 없음, 싸이클 지연없음
• 1.8V~5V I/O 전압
• 데이지 체인 모드 가능한 SPI 호환 가능한 연속
• 내부 변환 클록
• 16핀 MSOP & 4mm × 3mm DFN 패키지

제품 설명
LTC는 20비트 1Msps의 대기 지연이 없는(no latency) SAR(successive approximation register) ADC(analog-to-digital converter) (제품명:  LTC2378-20)를 출시한다고 밝혔다. 이 제품은 매우 낮은 0.5ppm (typ) 및 2ppm (max) INL(Integral Non-Linearity) 오류를 제공한다. INL은 지진 모니터링 및 반도체 가공 등 정밀 애플리케이션에서 중요한 스펙으로, ADC 전송 기능이 이상적인 상황에서 얼마나 많이 이탈했는지 가리켜 준다. 선형성이 시스템 레벨에서 효과적으로 보정될 수 없기 때문에, ADC의 INL 스펙은 전반적인 시스템 정확도를 설정한다. 동급 최강 제품인 LTC2378-20의 0.5ppm INL은 20비트 정밀도로 새로운 차원의 정밀 시스템을 실현시킨다. 독자적인 아키텍처는  -40°C~85°C의 디바이스 전체 동작 온도 범위에서 매우 안정적인 2ppm (max) INL 및 -114dB THD (max)의 결과를 제공한다.

LTC2378-20은 대기지연이 없는1Msps ADC로  업계에서 가장 높은 104dB SNR(signal-to-noise ratio)을 달성한다. 광범위한 동적 범위 및 진정한 20비트 해상도는 신호 체인에서 추가적인 이득에 대한 필요성을 감소시키거나 제거한다. 따라서 전체 시스템 정확도 및 잡음을 향상시킨다. 대기지연이 없는 고속의 1Msps 처리속도는 멀티플렉서의 사용이 가능하여, 속도가 늦으면서도 값비싸고 독립적인 ADC를 대체할 수 있다. 따라서 시스템 비용과 복잡도가 감소된다.

LTC2378-20은 직렬 SPI 인터페이스로 250ksps 에서 최고 2Msps의 속도 범위를 갖춘 핀 호환 및 소프트 호환이 가능한 20/18/16 비트 SAR ADC 제품군 가운데 가장 최신 제품이다. 20비트 250ksps (LTC2376-20) 및 500ksps (LTC2377-20) 버전은 5월에 출시될 예정이다. 제품군은 2.5V 전원에서 동작하며, 외부 5V 레퍼런스를 사용해 ±5V 완전 차동 입력 범위를 제공한다. 1Msps일 때, 디바이스는 21mW의 저전력 소모를 달성하며, 이는 샘플 레이트로 선형성을 측정한다. 셧다운 모드는 동작하지 않을 때 2.5µW로 전력 소모를 감소시킨다. LTC2378-20 제품군은 독자적인 DGC(digital gain compression) 특징을 제공하여, 네거티브(-) ADC 드라이브 전원에 대한 필요성을 없애주고 ADC의 전체 해상도를 보존시킨다. 따라서 SNR 성능을 크게 저하시키지 않고도 신호체인의 전체 전력 소모량을 낮출 수 있다.

DC1925A 평가 킷트는 LTC2378-20의 0.5ppm INL 및104dB SNR 성능을 보여준다. 보드는 차동 또는 단일 종단형 입력 신호를 인터페이스 하기 위해 유연한 LT6203 ADC 드라이버 특징 및 5V LTC6655-5 정밀, 저잡음, 저전력 레퍼런스 특징을 제공한다. 디지털 이득 압축 기능을 사용하는 전체 저전력 신호 체인 솔루션의 경우, 리니어는 단일 5V 전원 (1mA)에서 동작하는 LTC6362 완전 차동형 드라이버를 추천한다. 이 제품은 LTC2378-20 과 4.096V LTC6655-4.096 레퍼런스가 함께 사용될 때 최고 100dB SNR 성능을 달성한다.

LTC2378-20, LTC2377-20 및 LTC2376-20은 소형 MSOP-16 및 4mm x 3mm DFN-16 패키지에서 이용할 수 있으며 1,000개 수량 기준으로 개당 각각 29.50 달러, 25.50 달러, 18.17 달러에 책정되어 있다.

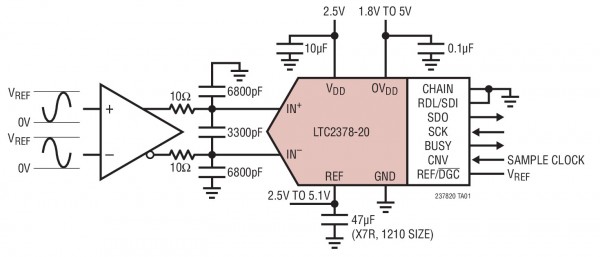
일반적인 설계 예
LTC2378-20-1.jpg LTC2378-20-2.jpg

애플리케이션
• 프로그래머블 로직 컨트롤러
• 산업 공정 제어
• 고속 데이터 수집
• 휴대용 또는 소형 계측기
• ATE

PRODUCTS



LTC2338-18
A/D 컨버터 > 표준 ADC > 정밀급 ADC < 20 MSPS > 싱글 채널 A/D 컨버터 > LTC2338-18 18비트, 1Msps, ±10.24V 트루 바이폴라 SAR ADC 10V 애플리케이션에 적합한 입력 신호 컨디셔닝 과정 단순화시켜
LTC2380-24
A/D 컨버터 > 표준 ADC > 정밀급 ADC < 20 MSPS > 싱글 채널 A/D 컨버터 > LTC2380-24 145dB 동적 범위의 24-Bit 2Msps SAR ADC
AD7380
A/D 컨버터 > A/D 컨버터 > 표준 A/D 컨버터 > 20MSPS이하 정밀급 A/D 컨버터 > 동시 샘플링 A/D 컨버터 > AD7380 2개 동시 샘플링 SAR ADC 차동 입력을 갖추고 있으며 모터 제어 위치 피드백 같은 응용 분야에 이상적인 16비트 ADC
LTC2348-18
A/D 컨버터 > 표준 ADC > 정밀급 ADC < 20 MSPS > 멀티 채널 A/D 컨버터 > LTC2348-18 뛰어난 유연성으로 18비트 성능 실현하는 동시 샘플링 가능한 옥탈 ADC
LTC2379-18
A/D 컨버터 > 표준 ADC > 정밀급 ADC < 20 MSPS > 싱글 채널 A/D 컨버터 > LTC2379-18 101.2dB SNR을 갖는 18비트, 1.6Msps, 저전력 SAR ADC
1 2 3 4 5 6

© 2018 Analog Devices | SITE MAP | RSS YouTube Twitter facebook Google Plus LinkedIn Managed by SemiNet

본 사이트 내의 콘텐츠를 무단 복제 사용시 관계 법령에 의거 처벌을 받을 수 있습니다.