A/D 컨버터 > 표준 ADC > 고속 ADC ≥ 10 MSPS > LTC2387-18

LTC2387-18
지연시간 없는 15Msps, 18-Bit SAR ADC
파이프라인 ADC대비 20dB SNR 기능향상 제공

제품 특징: LTC2387-18
• 싸이클 지연시간이 없는15Msps 쓰루풋 속도
• 95.7dB SNR & 102dB SFDR at fIN = 1MHz
• 7. 5MHz 입력까지 Nyquist 샘플링
• 최대 ±3LSB INL
• 8.192VP-P 차동 입력
• 20 ppm/°C Max Drift 내장
• 1 또는 2 레인 직렬 LVDS 출력
• 10Msps (LTC2386) & 5Msps (LTC2385) 18-Bit & 16-Bit버전
• 32핀 5mm × 5mm QFN 패키지

제품설명
LTC는 싸이클 지연이 없고 파이프라인 지연이 없는 초고속의 15Msps, 18-bit SAR ADC (제품명: LTC2387-18)를 출시했다고 밝혔다. LTC2387-18은 왜곡이 매우 낮아 광대역 아날로그 신호를 최대 Nyquist 주파수까지 디지털화시킨다. 파이프라인 ADC를 사용하여 빠른 처리량을 전통적으로 활용하는 통신, 고속 이미징 계측에 이르는 애플리케이션들은 파이프라인 ADC 아키텍처와 비교해 20dB SNR 향상을 달성할 수 있다.

LTC2387-18은 95.7dB의 SNR을 달성하며, -101dB의 THD를 실현하면서 1MHz 아날로그 입력 신호를 디지털화한다. 높은 SNR과 낮은 왜곡 성능은 쓰루풋을 빠르게 디지털화하도록 통합되어, ADC가 더 높은 정밀도 및 정확도로 매우 낮은 신호 단계를 측정할 수 있으며, 따라서 하이엔드 이미징 애플리케이션에서 이미지 대조 및 선명도를 향상시킨다. 또한, 지연시간이 없는 동작 특성은 고속 제어 루프를 요구하는 데이터 수집에서 이용할 수 있게 한다. 디지털 출력에서 도입된 잡음을 제한하기 위해서, ADC의 샘플 데이터는 단일 또는 듀얼 레인 시리얼 LVDS 출력을 통해 호스트 프로세서로 통신되며, 잡음에 민감한 애플리케이션에 적합한 우수한 잡음 내성을 제공한다.

LTC2387-18은 5Msps~15Msps 범위에 해당되는 샘플링 속도로 18- 및 16-bit SAR ADC의 핀 호환 제품군 중 선도 제품이다. LTC2387-18은 32핀 5mm × 5mm 플라스틱 QFN 패키지로 이용할 수 있으며, 상업 및 산업 온도 범위에서 규정되어, 1,000개 수량 기준으로 개당 38.95달러로 책정되었다.

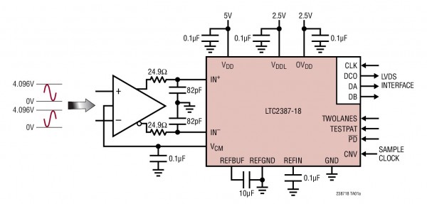
일반적인 설계 예

LTC2387-18-1.jpg

LTC2387-18-2.jpg


애플리케이션
• 고속 데이터 수집
• 이미징
• 커뮤니케이션
• 루프 제어
• 계측기기
• ATE



PRODUCTS



LTC2380-24
A/D 컨버터 > 표준 ADC > 정밀급 ADC < 20 MSPS > 싱글 채널 A/D 컨버터 > LTC2380-24 145dB 동적 범위의 24-Bit 2Msps SAR ADC
AD7380
A/D 컨버터 > A/D 컨버터 > 표준 A/D 컨버터 > 20MSPS이하 정밀급 A/D 컨버터 > 동시 샘플링 A/D 컨버터 > AD7380 2개 동시 샘플링 SAR ADC 차동 입력을 갖추고 있으며 모터 제어 위치 피드백 같은 응용 분야에 이상적인 16비트 ADC
1 2 3 4 5 6

© 2018 Analog Devices | SITE MAP | RSS YouTube Twitter facebook Google Plus LinkedIn Managed by SemiNet

본 사이트 내의 콘텐츠를 무단 복제 사용시 관계 법령에 의거 처벌을 받을 수 있습니다.