전원 관리 > 스위칭 레귤레이터 > 스텝-업(부스트) 레귤레이터 > 외부 파워 스위치 부스트 > LTC3788

LTC3788의 제품 특징
• 동기식 동작으로 최고 효율과 낮은 열 발출 달성
• 넓은 입력 범위: 4.5V~38V(40V Abs Max) 및 스타트업 후 2.5V까지 동작
• 출력 전압: 최대 60V
• ±1% 1.2V 레퍼런스 전압
• RSENSE 또는 인덕터 DCR 전류 감지
• 동기식 MOSFET을 위한 100% 듀티 사이클 기능
• 낮은 대기 전류: 125µA
• 위상 잠금 주파수 (75kHz~850kHz)
• 프로그래밍 가능한 고정 주파수 (50kHz~900kHz)
• 선택 가능한 전류 제한
• 조정 가능한 출력 전압 소프트 스타트
• 파워 굿 출력 전압 모니터
• 낮은 셧다운 전류 IQ: 8µA 미만
• 내부 LDO가 VBIAS 또는 EXTVCC에서 게이트 드라이브에 전력 공급
• 열성능 강화된 로우 프로파일 32핀 5mm × 5mm QFN 패키지
* 자동차 및 운송 애플리케이션용으로 설계된 AEC-Q100 데이터는 특정 패키지에 사용 가능합니다.
제품 설명
LTC3788은 모든 N-채널 전력 MOSFET을 구동하는 고성능, 2상 듀얼 동기식 부스트 컨버터 컨트롤러이다. 동기식 정류는 효율을 증가시키고 전력 손실을 감소시킬 뿐 아니라 열 요구사항을 완화시켜주므로 LTC3788은 고전력 부스트 애플리케이션에 사용하기에 적합하다.
정주파수 전류 모드 아키텍처는 최대 850kHz까지 위상 잠금 주파수를 허용한다. OPTI-LOOP® 보상은 넓은 범위의 출력 커패시턴스와 ESR 값에서 과도 응답을 최적화할 수 있게 한다. LTC3788은 정밀 1.2V 레퍼런스 전압 및 듀얼 파워 굿 출력 표시장치를 포함한다. 또 4.5V~38V의 넓은 입력 전원 범위로 광범위한 시스템 아키텍처와 화학 배터리를 사용할 수 있다.
각 컨트롤러에 독립적인 SS 핀은 스타트업 시 출력 전압을 램핑한다. PLLIN/MODE 핀은 경부하 시 버스트 모드(Burst Mode®) 동작, 펄스 스키핑 모드 또는 연속 인덕터 전류 모드 중에서 선택할 수 있다.
고정 전류 제한 및 PGOOD 출력이 있고 위상 변조 또는 클록 출력이 없는 리드형 28핀 SSOP 패키지에 대해서는 LTC3788-1 데이터 시트를 참조한다.
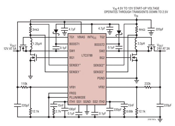
일반적인 설계 예


애플리케이션
• 산업용
• 자동차
• 의료용
• 군사용
|
