전원 관리 > 스위칭 레귤레이터 > 스텝-업(부스트) 레귤레이터 > 내부 파워 스위치 부스트 > LT3095

LT3095
듀얼 저잡음 바이어스 제네레이터
민감한 회로 애플리케이션에 적합한 초저잡음 및 리플 성능 제공

제품특징: LT3095
• 2개의 저잡음 바이어스 전원 생성
• 부스트 레귤레이터:
• 폭넓은 입력 전압 범위: 3V~20V
• 조절가능한 스위칭 주파수: 450kHz~2MHz
• 외부 클록으로 동기화 가능
• 950mA 전력 스위치
• 통합형 쇼트키 다이오드
• 내장 주파수 보정
• 선형 레귤레이터:
• 폭넓은 출력 전압 범위: 1V~20V
• SET 핀 레퍼런스 전류: 50µA
• 저잡음: 4µVRMS (10Hz~100kHz)
• 고주파수PSRR: 1MHz에서 72dB
• 독립적인 정밀 임계값 인에이블 핀
• PCB 레이아웃을 단순화시켜주는 대칭 핀아웃
• 열성능이 강화된 3mm × 5mm 24핀 QFN 패키지

제품설명
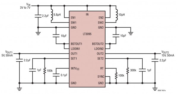
LTC는 단일 입력에서 2개의 매우 낮은 잡음과 낮은 리플 바이어스 출력 2개를 제공하는 듀얼 채널 IC(제품명: LT3095)를 출시했다고 밝혔다. 각 채널은 매우 낮은 잡음과 높은 PSRR (power supply rejection ratio)의 고집적 선형 레귤레이터로 사후(post) 조절되는 모놀리식 스텝업 DC/DC 컨버터를 통합한다. LT3095는 총 리플 및 잡음이 100µVP-P미만으로 출력 전압이 최대 20V 이며, 최대 50mA 연속 출력 전류를 제공한다. 이 디바이스는 3V~20V 입력 전압 범위에서 동작하여, 다양한 전력원과 호환이 가능하다.

LT3095의 고정 주파수, 피크 전류 모드 스텝업 DC/DC 컨버터는 통합형 950mA 전력 스위치, 쇼트키 다이오드 및 내장 주파수 보정 기능을 포함한다. 스위칭 주파수는 단일 저항으로 450kHz~2MHz 사이에서 프로그램 될 수 있거나 외부 클록으로 동기화할 수 있다. 컴팩트한 3mm x 5mm QFN 패키지로 통합된 LT3095는 계측 증폭기, RF 및 데이터 변환 시스템 및 다른 저전압 바이어스 애플리케이션에 적합한 우수한 효율성을 갖춘 간단하고, 컴팩트한 솔루션 풋프린트를 제공한다.

LT3095의 선형 레귤레이터는 리니어의 독자적인 전류 소스 레퍼런스 아키텍처가 탑재되어, 단일 저항 출력 전압 설정 성능 및 대역폭, 잡음, PSRR을 비롯해 출력 전압과 실질적으로 독립적인 부하 레귤레이션 성능과 같은 수많은 혜택을 제공한다. 통합형 출력 잡음(10Hz~100kHz 대역폭 내에서)이 4µVRMS 에 불과하며 PSRR 은 전체 스위칭 주파수 범위에서 70 dB를 초과하여, 총 잡음과 리플이 100µVP-P 미만이다. 선형 레귤레이터는 선형레귤레이터의 출력 전압 이상인 2V까지 스텝업 컨버터의 출력 전압을 조절하며, 전력 소모, 과도 응답 및 PSRR 성능을 최적화시킨다. 시스템의 신뢰성을 향상시키기 위해, LT3095는 단락회로 및 과열방지 기능뿐 만 아니라 각 채널을 위해 독립적인 정밀 인에이블/UVLO 임계값을 제공한다. 마이크로파워 동작은 2개의 EN 핀을 로우(low)로 유지시킬 경우 가동된다.

LT3095의 대칭적인 핀아웃은 PCB 설계를 단순화시킨다. 이 디바이스는 열 성능이 강화된 3mm x 5mm QFN-24 패키지로 실장되며, 산업용 등급 E- & I-등급으로 -40°C~125°C 온도 범위에서 동작하며 군사용 MP-등급 버전은 -55°C~125°C 범위에서 동작한다.  E등급은 1,000개 수량 기준으로 2.95달러로 책정되어 있으며 모든 버전은 즉시 이용할 수 있다.

일반적인 설계 예

LT3095-1.jpg

LT3095-2.jpg


애플리케이션
• 잡음에 민감한 USB 구동 애플리케이션
• 데이터 변환, 산업용 전원, RF
• 계측 증폭기



PRODUCTS



LT8652S
전원 관리 > 스위칭 레귤레이터 > 스텝다운 벅 레귤레이터 > 내부 파워 스위치 벅 레귤레이터 초저 EMI 동작을 위한 듀얼 채널 사일런트 스위처 고전류 애플리케이션을 위해 적층형 병렬 연결도 가능
LTC3130
전원 관리 > 에너지 하베스팅 > LTC3130 25V, 600mA 동기식 벅-부스트 DC/DC 컨버터
LTM4644
전원 관리 > 스위칭 레귤레이터 > 스텝-다운(벅) 레귤레이터 > 다중 출력 벅 > LTM4644 쿼드, 트리플, 듀얼 또는 싱글 출력으로 구성가능한 16A µModule 레귤레이터 FPGAs, ASICs 및 마이크로프로세서 전원 공급
LT3055
전원 관리 > LDO 리니어 레귤레이터 > LDO 플러스 > LT3055 45V 500mA LDO 25µVRMS 잡음, 프로그램 가능한 전류 제한 & 진단 정보 기능 제공
LTC7810
전원 관리 > 스위칭 레귤레이터 > 스텝-다운(벅) 레귤레이터 > 외부 파워 스위치 벅 컨트롤러 > LTC7810 150V 낮은 IQ, 듀얼, 2상 동기식 스텝다운 DC/DC 컨트롤러
1 2 3 4 5 6 7 8 9 10

© 2018 Analog Devices | SITE MAP | RSS YouTube Twitter facebook Google Plus LinkedIn Managed by SemiNet

본 사이트 내의 콘텐츠를 무단 복제 사용시 관계 법령에 의거 처벌을 받을 수 있습니다.