모니터, 컨트롤 & 보호 > 디지털 전원 시스템 관리 > DC-DC 컨트롤러 > LTC3889
LTC3889의 주요 기능
• PMBus/I2C 호환 직렬 인터페이스
• 텔레메트리 리드-백은 VIN, IIN, VOUT, IOUT, 온도 및 오류 포함
• 프로그래밍 가능 전압, 전류 제한, 디지털 소프트 스타트/스톱, 시퀀싱, 마지닝,
OV/UV/OC, 주파수 및 제어 루프 보상
• 온도에 대해 ±0.5% 미만의 출력 오류
• 통합형 16비트 ADC 및 12비트 DAC
• 통합 하이 측 전류 감지 증폭기
• ECC 및 오류 로깅 기능이 내장된 내부 EEPROM
• 통합 N채널 MOSFET 게이트 드라이버
전력 변환
• 폭넓은 VIN 범위: 5~60V
• VOUT0 , VOUT1 범위: 1~40V
• 아날로그 전류 모드 컨트롤
• 최대 6개 위상(85kHz~500kHz)을 위한 정확한 PolyPhase® 전류 공유
• 52핀(7×8mm) QFN 패키지로 제공
제품 설명
LTC3889는 듀얼 PolyPhase DC/DC 동기식 스텝-다운 스위칭 레귤레이터 컨트롤러이다. LTC3889 장치는 I2C-기반 PMBus 호환 직렬 인터페이스를 갖추고 있다. 이 컨트롤러는 고전압 입력 및 출력 기능을 갖춘 고정 주파수, 전류 모드 아키텍처를 사용한다. 또한 이 디바이스는 프로그래밍 가능한 루프 보상 기능을 갖추고 있으며 GUI(그래픽 사용자 인터페이스)가 있는 LTpowerPlay™ 소프트웨어 개발 도구를 지원한다.
EXTVCC 핀은 회로 효율과 다이 온도를 최적화하고 컨트롤러 출력이 칩 전력을 공급할 수 있게 최대 14V의 전압을 지원한다. 스위칭 주파수, 출력 전압 및 디바이스 주소는 디지털 인터페이스와 외부 구성 저항 모두로 프로그래밍할 수 있다. 파라미터는 디지털 인터페이스를 통해 설정하거나 EEPROM에 저장할 수 있다. 두 출력 모두 독립적인 파워 굿 인디케이터와 FAULT-bar 기능을 가지고 있다.
LTC3889는 불연속(펄스 스킵) 모드 또는 연속 인덕터 전류 모드로 구성될 수 있다.
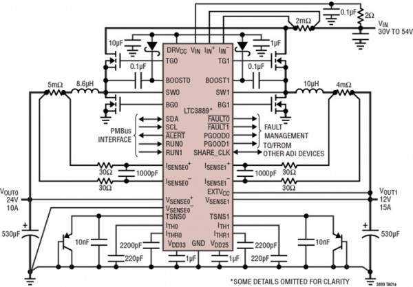
일반적인 회로 예


애플리케이션
• 전기 통신, 데이터 통신 및 스토리지 시스템
• 산업용 및 PoL 애플리케이션
|