A/D 컨버터 > 표준 ADC > 정밀급 ADC < 20 MSPS > 멀티 채널 A/D 컨버터 > LTC2373-18
제품특징: LTC2373-18
• 1Msps 처리량 속도
• 미싱코드(Missing Code) 없는18비트 해상도
• 선택가능한 입력 범위의 8채널 멀티플랙서
• 완전 차동형
• 반 차동형 유니폴라
• 반 차동형 바이폴라
• INL: ±2.5LSB (최대)
• SNR: fIN = 1kHz 일 경우, 100dB (완전 차동형)/ 95.5dB (반 차동형) (일반)
• THD: fIN = 1kHz 일 경우 -110dB (Typical)
• 프로그램 가능한 씨퀀서
• 선택가능한 디지털 이득 압축
• 1.8V ~ 5V I/O 전압으로 단일 5V 전원
• SPI-호환 가능한 시리얼 I/O
• 온보드 2.048V 레퍼런스 및 레퍼런스 버퍼
• 파이프라인 지연 없음, 싸이클 레이턴스 없음
• 전력 소모 40mW (Typical)
• 125°C에서 동작 보장
• 32핀 5mm × 5mm QFN패키지
제품 설명
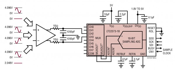
LTC는 뛰어난 100dB SNR 성능을 제공하는 8채널, 18비트, 1Msps SAR(successive approximation register) ADC (제품명: LTC2373-18)를 출시했다고 밝혔다. LTC2373-18은 프로그램이 가능한 씨퀀서를 탑재하여 멀티플렉서(MUX) 및 입력 범위를 구성할 수 있도록 최고 16개의 제어 단어를 저장할 수 있다. 이 제품은 다양한 MUX 채널 구성으로 완전 차동형(fully differential) 및 반차동형(pseudo-differential) 입력 범위와 쉽게 혼합하여 맞출 수 있는 기능을 제공한다. 단일 종단형 입력 신호는 디바이스에서 이용할 수 있는 MUXOUT/ADCIN 핀 사이에서 단일 외부 드라이버 회로를 공유함으로써 ADC 코어의 완전 차동형 입력 범위로 변환될 수 도 있다.
LTC2373-18은 16-/18-비트 8채널 멀티플렉스 SAR ADC의 제품군의 대표 제품이다. 이 제품군은 SPI 호환 가능한 인터페이스로 통신하고, 500ksps 및 1Msps의 샘플 레이트를 제공하며, ±4.096V 완전 차동형 입력 범위에서 18비트일 때 100dB SNR 및 16비트일 때 96dB SNR을 달성한다. LTC2373 제품군은 소형 25mm2 QFN-32 패키지에 로우 드리프트 및 20ppm/°C 보장 최대 온도 계수를 갖춘 정밀 밴드갭 레퍼런스와 고성능 레퍼런스 버퍼를 통합했다. 이 디바이스는 단일 5V 전원에서 전력을 공급받으며 1Msps에서 40mW만 소모한다.
LTC2373-18은 상업용, 산업용, 자동차 (-40°C ~ 125°C) 온도 등급에서 이용할 수 있다. 가격은 1,000개 수량 기준으로 개당 17.35 달러이다.
일반적인 설계 예


애플리케이션
• 프로그래머블 로직 컨트롤러
• 산업 공정 제어
• 고속 데이터 수집
• 포터블 또는 소형 계측기기
• ATE
|