전원 관리 > 스위칭 레귤레이터 > 디지털 프로그래머블 레귤레이터 > LTC3880

LTC3880의 제품 특징
• 맞춤형 프로그래밍된 부품 주문
• PMBus/I2C 준수 직렬 인터페이스
∘ 텔레메트리 리드백: VIN, IIN, VOUT, IOUT, 온도 및 오류 포함
∘ 프로그래밍 가능한 전압, 전류 제한, 디지털 소프트 스타트/스톱, 시퀀싱, 마지닝, OV/UV 및
주파수 동기화(250kHz~1MHz)
• 전체 온도에서 ±0.5% 출력 전압 정확도
• 16비트 ADC 통합
• ECC 지원 내부 EEPROM 및 오류 로깅
• 강력한 N-채널 MOSFET 게이트 드라이버 통합
• LTpowerPlay 구성 및 개발 툴
전력 변환
• 넓은 VIN 범위: 4.5V~24V
• VOUT 범위: 0.5V~5.4V (VOUT0에서 4V)
• 아날로그 전류 모드 제어 루프
• 사전 바이어스된 부하로 파워업 지원
• 최대 6개 위상까지 정밀한 PolyPhase® 전류 공유
• 40핀 (6mm × 6mm) QFN 패키지로 제공
* 자동차 및 운송 애플리케이션용으로 설계된 AEC-Q100 데이터는 특정 패키지에 사용 가능합니다.
제품 설명
LTC®3880/LTC3880-1은 I2C 기반 PMBus 준수 직렬 인터페이스를 탑재한 듀얼, PolyPhase DC/DC 동기식 스텝다운 스위칭 레귤레이터 컨트롤러이다. 이들 컨트롤러는 GUI(graphical user interface)의 LTpowerPlay™ 소프트웨어 개발 툴에 의해 지원되는 정주파수, 전류 모드 아키텍처를 사용한다.
스위칭 주파수, 출력 전압, 디바이스 주소는 외부 구성 저항을 사용하여 프로그래밍할 수 있다. 파라미터는 디지털 인터페이스를 통해 설정하거나 EEPROM에 저장할 수 있다. 전압, 전류, 내부/외부 온도 및 오류 상태는 버스 인터페이스를 통해 리드백할 수 있다. LTC3880은 5V 선형 레귤레이터를 통합하고 있으며, LTC3880-1은 외부 5V 전원을 사용해 전력 손실을 최소화한다. 아래 표는 LTC3887과 비교하여 보여준다.
|
VOUT 스타트업 시간 |
최대 VOUT0/1 |
1 파라미터에 대한 고속 ADC 모드 |
|
|
35ms |
5.5V/5.5V |
Yes |
|
|
LTC3880/LTC3880-1 |
120ms |
4V/5.4V |
No |
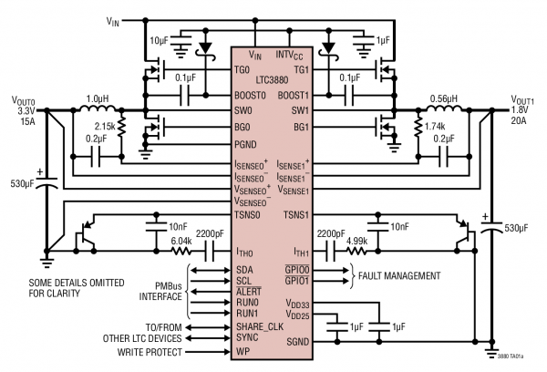
일반적인 설계 예


애플리케이션
• 고전류 분산형 전원 시스템
• 텔레콤, 데이터콤 및 스토리지 시스템
• 에너지 효율적인 지능형 전력 레귤레이션
|
