전원 관리 > 전류 소스 > LT3092

LT3092
200mA 2-단자 프로그래밍 가능 전류 소스

LT3092의 주요 특징
• 프로그래밍 가능한 2 단자 전류 소스
• 최대 출력 전류 : 200mA
• 넓은 입력 전압 범위 : 1.2V~40V
• 입/출력 커패시터 불필요
• 저항비로 출력 전류 설정
• 초기 설정 핀 전류 정확도 : 1 %
• 역 전압 보호
• 역 전류 보호
• <0.001%/V 라인 레귤레이션(일반)
• 전류 제한 및 열 셧다운 보호
• 8 핀 SOT-23, 3 리드 SOT-223 및 8 리드 3mm × 3mm DFN 패키지로 제공

* 자동차 및 운송 애플리케이션용으로 설계된 AEC-Q100 데이터는 특정 패키지로 사용 가능합니다.

제품 설명
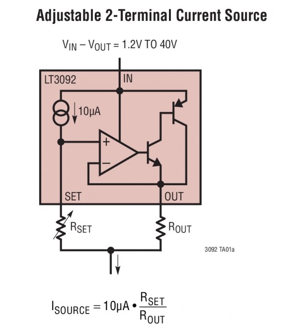
LT3092는 프로그래밍 가능한 2 단자 전류 소스이다. 0.5mA와 200mA 사이의 출력 전류를 설정하려면 2 개의 저항만 있으면 된다. 다양한 아날로그 기술로 인해 출력 전류를 능동적으로 프로그래밍 할 수 있다. LT3092는 입력 및 출력 커패시터없이 안정적이며 높은 DC 및 AC 임피던스를 제공한다. 이 기능을 사용하면 본질적으로 안전하게 애플리케이션에서 작동할 수 있다.

SET 핀은 초기 정확도가 1%이고 온도 계수가 낮다. 전류 레귤레이션은 1.5V~40V에서 10ppm/V보다 우수하다.
LT3092는 신호 라인과 직렬로 2-단자 전류 소스 구성으로 동작할 수 있다. 이는 센서 구동, 원격 전원 장치 및 로컬 전원장치에 적합한 정밀 전류 리미터에 이상적이다.

내부 보호 회로에는 역 배터리 및 역 전류 보호, 전류 제한 및 열 제한 기능이 내장되어 있다. LT3092는 8-리드 TSOT-23, 3-리드 SOT-223 및 8-리드 3mm × 3mm DFN 패키지로 제공된다.

일반적인 설계 예

LT3092-1.jpg

LT3092-2.jpg

애플리케이션
• 2-단자 플로팅 전류 소스
• GND 기준 전류 소스
• 가변 전류 소스
• 인라인 리미터
• 안전 회로 기본 내장

PRODUCTS



LTM4648
전원 관리 > 스위칭 레귤레이터 > 스텝-다운(벅) 레귤레이터 > μModule 벅 레귤레이터 > LTM4648 2.375V~5.5V 입력, 10A µModule 레귤레이터 85°C 주변온도에서 91%-95% 효율의 총 전류 제공
LT8710
전원 관리 > 스위칭 레귤레이터 > 반전 레귤레이터 > LT8710 80V 동기식 SEPIC/ 인버팅/ 부스트 DC/DC 컨트롤러 최대 10A 출력 전류 제공
LTC4162-S
전원 관리 > 배터리 관리 > 배터리 차저 IC > 스위칭 배터리 차저 > LTC4162-S PowerPath 및 I2C 원격 측정 기능이 내장된 35V/3.2A 납산 스텝 다운 배터리 충전기 디지털 I2C 텔레메트리와 MPPT 동작이 특징
LTM8055
전원 관리 > 배터리 관리 > 배터리 차저 IC > μModule 배터리 차저 > LTM8055 36IN, 8.5A 벅 부스트 µModule 레귤레이터 15mm x 15mm BGA 패키지로 제공
LTC3119
전원 관리 > 에너지 하베스팅 > LTC3119 95% 효율의 18V, 5A 모놀리식 동기식 벅-부스트 DC/DC 컨버터
11 12 13 14 15 16 17 18 19 20

© 2018 Analog Devices | SITE MAP | RSS YouTube Twitter facebook Google Plus LinkedIn Managed by SemiNet

본 사이트 내의 콘텐츠를 무단 복제 사용시 관계 법령에 의거 처벌을 받을 수 있습니다.