증폭기 > ADC 드라이버 > 완전 차동 증폭기 > LT6604-15
LTC6604-15의 주요 특징
• 15MHz 저역통과 필터가 내장된 듀얼 차동 증폭기
∘ 4차 필터
∘ 체비셰프(Chebyshev) 응답 근사화
∘ 위상 및 이득 정합 보장
∘ 저항으로 프로그래밍 가능한 차동 이득
• 76dB 신호 대 잡음 (3V 전원, 2VP-P 출력)
• 낮은 왜곡, 2VP-P, 800Ω 부하, VS = 3V
∘ 1MHz: 86dBc 2차, 90dBc 3차
∘ 10MHz: 63dBc 2차, 69dBc 3차
• 3V, 5V, ±5V 전원으로 동작하도록 지정
• 완전 차동 입력 및 출력
• 조정 가능한 출력 공통 모드 전압
• 소형 4mm × 7mm × 0.75mm QFN 패키지
제품 설명
LT6604-15는 2개의 정합된 완전 차동 증폭기로 구성되며, 각각 4차 15MHz 저역통과 필터를 내장한다. 고정 주파수 저역통과 필터는 체비셰프(Chebyshev) 응답을 근사화한다. 디바이스는 필터와 차동 증폭기를 통합하여 극히 낮은 왜곡과 잡음을 달성한다. 단위 이득에서 측정된 대역 내 신호 대 잡음비는 뛰어난 76dB이다. 더 높은 이득에서 입력 기준 잡음이 감소하므로, 디바이스는 신호 대 잡음비를 크게 저하시키지 않으면서 더 작은 입력 차동 신호를 처리할 수 있다.
이득과 위상은 두 채널 간에 우수하게 정합된다. 각 채널의 이득은 2개의 외부 저항을 사용하여 독립적으로 프로그래밍된다. LT6604-15는 조정 가능한 출력 공통 모드 전압을 제공하여 레벨 시프트가 가능하므로 ADC에 직접 인터페이싱하는 데 이상적이다.
LT6604-15는 3V 동작을 위해 완벽하게 지정되어 있다. 차동 설계는 단일 3V 전원을 위한 2VP-P 신호 레벨에서 탁월한 성능을 제공한다. 2.5MHz~20MHz 저역통과 필터를 통합한, 관련된 단일 및 듀얼 차동 증폭기의 전체 목록은 이 데이터시트의 뒷페이지를 참조한다.
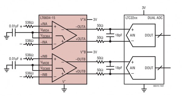
일반적인 설계 예


애플리케이션
• 듀얼 차동 ADC 드라이버 및 필터
• 단일 종단 - 차동 컨버터
• 정합된 듀얼, 차동 필터 스테이지
• 차동 신호의 공통 모드 변환
• 무선 인프라 또는 네트워킹 애플리케이션에서 고속 ADC 안티앨리어싱 및 DAC 스무딩
• 고속 테스트 및 계측 장비
• 의료용 이미징
|