EMI를 제어하고, PCB 공간 절약 및 공기 흐름을 향상시키는 액티브 필터
글/Chester Firek, Director of product marketing, Vicor
출처 : 계장기술
공간 축소에 따른 간섭 가능성 증가
전자산업은 계속해서 더 작은 공간에 더 많은 기능을 갖춘 보다 소형의 장치들로 진화하고 있다. 공간이 줄어들수록 시스템은 조밀하게 탑재된 보드와 랙에 더 많은 기능을 장착해야 하기 때문에 장치 간의 간섭 가능성이 증가한다. 또한 주파수는 증가하고, 전압 레벨은 떨어지면서, 전도성 EMI에 대한 제어는 설계 작업에서 훨씬 더 중요한 문제로 대두되고 있다.
EMI 제어는 여러 설계 요소들에 의해 크게 영향을 받는 복잡한 설계 작업으로, 액티브 및 패시브 필터를 사용하여 전도성 노이즈를 관리한다. 액티브 EMI 필터는 패시브 솔루션과 달리 공통모드 초크의 부피를 줄여 필터를 1 x 1 x 0.2인치 패키지로 패키징하여 낮은 프로파일의 표면실장 디바이스로 제공된다. 크기를 줄이면 귀중한 보드 공간을 절감할 수 있고, 높이를 줄이면 공기 흐름을 개선하여 열 관리를 향상시킬 수 있다.
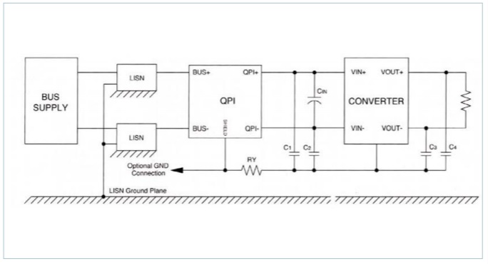
액티브 EMI 필터(그림 1에 QPI로 표시)는 전도성 방출 표준인 EN55022(CISPR22)에서 요구하는 150MHz ~ 30MHz의 주파수 범위에 걸쳐 전도성 모드 및 차동 모드 노이즈를 감쇠 시킨다. 그림 2는 액티브 필터의 성능을 보여주기 위해 DC-DC 컨버터 노이즈 프로파일의 전후 플롯을 나타낸 것이다. 이 플롯은 CISPR22에서 정의된 설정을 기반으로 표준 측정 기법을 사용하여 수집되었다. 이 결과는 EN55022 클래스 B 준피크(Quasi-Peak) 검출 한계와 비교하여 부하를 받는 표준 DC-DC 컨버터의 총 노이즈 스펙트럼을 보여준다. 이 플롯을 통해 액티브 필터가 총 전도성 노이즈 스펙트럼을 필요한 한계치 보다 훨씬 낮게 줄이는데 효과적임을 알 수 있다.

그림 1. DC-DC 컨버터용 액티브 EMI 필터(QPI로 표시)의 일반적인 블록도.
그림 2. 필터가 없는(좌측), 액티브 EMI 필터가 있는(우측) DC-DC 컨버터의 전도성 EMI 프로파일
설계자는 전도성 노이즈에 적합한 EMI 필터를 선택하고, 품질을 확보해야 하며, 해당 EMI 표준에서 지정된 설정 및 조건에 따라 제품의 필터를 테스트해야 한다. 필터는 사전 필터링된 노이즈의 크기와 관심 주파수 스펙트럼을 기반으로 선택 또는 설계해야 한다. 제품의 전도성 노이즈 프로파일에는 차동 모드 및 공통 모드 노이즈가 포함된다. 또한 측정 설정에서 EUT 차폐 및 배선 스크리닝(Cabling Screening)에 따라 방사 노이즈가 포함될 수 있다. IEC(International Electrotechnical Commission) 규격 CISPR 16-2-1에는 전도성 방해(Conducted Disturbance)에 대한 측정 방법이 설명되어 있다.
애플리케이션에서 필터 성능은 입력 버스 및 부하 임피던스에 따라 크게 달라지며, 제로 바이어스 50Ω 삽입 손실 데이터만으로는 추정할 수 없다. 최종 노이즈 성능은 관심 주파수 스펙트럼에 따라 크기 및 위상이 달라지는 필터 소자와 장비의 접지 및 노이즈 소스 임피던스 등으로 인해 상당히 복잡하다.
액티브 EMI 필터는 버스 라인에 흐르는 공통 모드 전류를 감지하고, 차폐면에서 낮은 임피던스를 생성하여 노이즈를 다시 발생된 소스로 재순환시킴으로써 150kHz ~ 30MHz의 EN55022 범위에 걸쳐 전도성 노이즈에 대한 액티브 공통 모드 감쇠를 제공한다. 그림 1과 같이 연결된 경우, 제어 루프가 차폐 핀을 능동적으로 구동하고, 그림 2의 감쇠 곡선에서 공통 모드 전류 비율에 근접한 값으로 버스 라인의 공통 모드 전류를 감소시킨다.
전도성 방출 표준을 충족하는 설계의 첫 번째 단계는 노이즈 발생기를 최소화하는 것이다. 시스템 내의 공급전압 버스와 레퍼런스 접지에서 측정된 전도성 노이즈 소스는 대부분 전력 변환 섹션을 비롯해 더 낮은 규모의 데이터 I/O 라인 또는 PWM 팬 모터 드라이버 회로와 같은 다른 소스에 의해 발생한다.
브릭 타입의 컨버터와 특정 토폴로지를 이용하면 다른 제품 보다 노이즈 발생이 적다. 컨버터의 베이스 라인 노이즈에 대한 파악이 매우 중요하다. 다음 단계는 전원 소스에 대한 노이즈 소스의 커플링 경로를 최소화하는 것이다. 대부분의 DC-DC 컨버터 제조업체들은 PCB 접지 플레인을 통한 차폐 및 패시브 컴포넌트로 제품을 디커플링할 것을 권장한다. 최상의 낮은-노이즈 컨버터라 하더라도 일반적으로 적합성 테스트, 특히 EN55022 클래스 B 제한 요건을 통과하기 위해서는 추가 필터링 및 디커플링이 필요하다.
전도성 노이즈는 차동 모드와 공통 모드, 두 가지 요소를 가지고 있다. 차동 모드 노이즈는 컨버터가 버스 서플라이에 입력 전력을 공급할 때 나타나는 입력 전류의 변화로 인한 AC 컴포넌트의 입력 차동 전류에 의해 전원 버스에서 발생한다. 이 차동 모드 전류는 CISPR 16-2-l에서 정의한 대칭 전압을 생성한다.
대부분의 컨버터 제조업체들은 안정적으로 동작할 수 있도록 낮은 입력 소스 임피던스를 제공하기 위해 최소 입력 커패시턴스(CIN)를 지정한다. 권장되는 대용량 전해 커패시터는 컨버터의 기본 고조파 주파수에서 낮은 임피던스를 갖지 않는다. 따라서 고주파수 특성이 좋은 저용량 커패시터를 전해 입력 커패시터와 병렬로 연결해야 한다. 이러한 접근방식에도 불구하고 일부 차동 AC 전류가 버스에서 흘러 버스 라인에 차동 모드 노이즈 전류를 발생시킨다.
클래스 B 사양의 최저 레벨을 충족하기 위해서는 전도성 EMI 주파수 범위의 차동 전류가 21dBµA 미만이어야 한다. 이는 50Ω에서 RMS 전압이 55dBµV 또는 562µV가 되어야 한다. 버스 라인의 길이는 시스템 설치에 따라 달라질 수 있다. 이러한 변수의 영향을 완화시키기 위해 커패시터 CB(그림 1)는 QPI에 낮은 소스 임피던스를 제공하여 컨버터의 출력에서 QPI로 반영되는 과도 부하 동안 입력 오차를 최소화해야 한다. 이 버스 라인의 기생 인덕턴스와 CB는 차동 노이즈 전류에 대한 추가 필터링을 형성하게 된다.
전원 버스의 공통 모드 노이즈는 CISPR 16-2-1에서 비대칭 전압으로 정의되어 있다. 또한 CISPR 16-2-1은 신호 및 제어 라인에서 주로 측정되는 공통 모드 방해에 대해서도 설명하고 있다. 액티브 필터는 전원 버스의 공통 모드 노이즈 문제를 해결할 수 있도록 설계되었다.
공통 모드 노이즈는 높은 dV/dt E 필드(일반적으로 1차측 스위치)와 2차 정류기 및 전원 변압기 기생 커패시턴스로 인해 발생한다. 또한 컨버터의 높은 수준의 dI/dt로 인해 야기되는 B 필드의 전원 자기와 기생 인덕턴스도 공통 모드 노이즈 소스이다. 이러한 높은 필드에서 생성된 모든 노이즈 전류는 소스로 다시 돌아가야 한다. E 필드에 대한 최상의 방법은 공통 차폐 접지면을 통해 일반적으로 ‘Y’ 캡이라고 하는 커패시터를 사용하여 리턴 경로를 제공하는 것이다.
적합성 테스트를 위한 LISN(Line Impedance Stabilization Network) 접지면은 그림 3의 테스트 회로에 나타낸 것처럼 리턴 경로를 제공한다. 공통 모드 전류는 적합성 테스트에서 LISN의 버스+ 및 버스-의 50Ω 측정 경로를 따라 흐르고, LISN과 EUT(Equipment Under-Test)를 연결하는 와이어를 통해 EUT 소스로 다시 돌아간다.
CISPR22 테스트 제한은 특정 시스템의 지정된 스펙트럼에 대한 총 노이즈를 다루고 있다. 차동 모드 또는 공통 모드 노이즈 컴포넌트는 적합성 불합격을 야기할 수 있으며, 일반적으로 클래스 B 제한을 통과하려면 두 노이즈 모두 감쇠 되어야 한다. 클래스별 세부사항은 이 글에서 다루지 않겠지만, 일반적인 컨수머 및 휴대용 애플리케이션을 위한 클래스 B에서 허용되는 것보다 클래스 A는 기본적으로 고정형 시스템에서 더 높은 노이즈 레벨을 허용한다. 고정형 시스템을 위한 표준은 최근 개별 데이터 통신 보드를 위한 AdvancedTCA™ PICMG® 3.0 요건에서 클래스 B 전도성 노이즈 제한으로 상향되었다.
또한 합격/불합격 기준에 사용되는 제한에 영향을 미치는 다양한 검출 기법들도 있다. EN55022 준피크 검출 클래스 B 제한은 이 기사의 모든 플롯의 제한선이다.

그림 3. 스펙트럼 분석기 테스트 설정(접지면에서 5mm 위에 배치된 QPI 및 컨버터)
결론
이 글에 나타낸 결과는 그림 3에 표시된 테스트 구성으로 얻은 것이다. 스펙트럼 분석기의 피크 검출 옵션은 분석기의 스위프 시간(Sweep Time)을 획기적으로 단축시키기 위해 준피크 대신 사용되었다. 준피크 검출 측정 모드를 사용하면, 이 검출 방법에 도입된 인자로 인해 측정된 진폭이 더 낮아진다.
기사입력 : 2022-01-24
모바일 로봇의 성능을 최적화하는 고밀도 모듈형 전력 공급 네트워크
작성자 : Anna Giasson 외 1인
전력 모듈을 활용해 전기차의 고전압 프리차지 회로를 제거하는 새로운 ...
작성자 : Patrick Kowalyk
자동차용 800V에서 48V SELV로의 전환을 가속하는 전력 모듈
작성자 : Patrick Wadden
48V로 가속하는 전력 전자 혁신
작성자 : Max Maxfield
고밀도 전력 모듈로 EV 전력 시스템 설계 간소화 및 소형화
작성자 : 그렉 그린
새로운 우주 애플리케이션을 위한 고전력 밀도 및 저잡음 구현
작성자 : Ken Coffman 외 1인
소형 전력 모듈로 차량의 전동화 가속
작성자 : 바이코
생명 구조 목적의 각종 재료와 서비스를 보호하고 제공하는 혁신적 솔루션
작성자 : 바이코
생성형 AI - 극히 전력 소모가 큰 컴퓨팅 애플리케이션의 전력 소모 줄이기
작성자 : Maury Wood
자동차 전기화: 48V가 12V 대체
작성자 : 바이코 코리아
전동화 트렌드를 주도하는 소형 전원 모듈
작성자 : 바이코
MOSA, SOSA 및 VPX 개방형 아키텍처를 사용하는 표준 국방 플랫폼의 미래
작성자 : Matt Renola
|