양방향 전력: 세상을 바꾸는 혁신 기술의 숨은 동인
글/데이비드 버너(David Bourner), 바이코 수석 현장 응용 엔지니어
커밋된 전력 상호 연결부의 교환 부하 및 전력원 변환 기술은 스위치 모드 전원 설계 분야에서 점차 보편화되고 있다. NASA의 국제 우주 정거장에서 사용되는 직류 모선 계통이나 가깝게는 하이브리드 전기 자동차와 같이 전략적으로 중요한 여러 응용 분야에 간단하고 강력한 응용 기술이 적용되고 있다.[a][b]
점차 다양한 에너지원이 경제적이고 효율적인 방식으로 전기 에너지로 변환됨에 따라 직류 전위 간 전력 공급의 용이성 증진에 대한 필요성이 대두되고 있다. 스위치 모드 전력 변환 방식은 고효율의 직류 조정 구현을 위한 대표적 기술이다. 변환기를 스위치 모드 공진 토폴로지에 맞게 조정해 나가는 과정에서 보다 신뢰할 수 있는 고성능의 양방향 변환기(BDC)의 개발이 가능하였다. 이러한 양방향 변환기의 적용은 다양한 응용 분야에서 유연성 증진으로 이어졌고 획기적인 경제적, 운영적 성과를 가져왔다.
양방향 기술은 우리의 일상 생활과 관련된 익숙한 응용 분야에서뿐만 아니라 향후 오지 지역에 대한 탐사 및 그곳에서의 정착을 위해 필요한 새로운 에너지 저장 및 유틸리티 기술 개발을 위한 핵심적인 요소이다.
정현파 진폭 변환기(SAC)를 이용한 전력 설계
정현파 진폭 변환기TM(SACTM)는 작동 방식 면에서 하드 스위칭 변환기와 큰 차이가 있으며 고효율, 저전도성, 낮은 복사 방출[c] 등 다양한 이점을 제공한다. SAC는 일반적으로 복합 전원 시스템의 구성에 사용되며 그 예는 참고 문헌에 기재되어 있다[d]. SAC는 두 개의 포트로 구성된 정전력 변환기로 출력 조정 기능이 없으며, 1/K(K는 SAC의 변환 계수의 정수 값)에 기반한 변압비에 따라 인가된 직류 전압을 비율계량식으로 변환한다.
예를 들어, K=8이고 버스 변환기 모듈(BCM)로 공급되는 직류 전압의 범위가 260~400V일 경우, 출력 전압의 범위는 32.5~50VDC로 정해질 수 있다. 해당 BCM이 98%에 달하는 매우 높은 효율 수준을 구현한다는 점에서 인가된 직류 전류 값에 K 변환 계수를 그대로 곱하여 준다. 즉, 1A의 직류 전류가 384V로 BCM에 인가될 경우, 약 8A의 전류가 약 48VDC로 BCM의 출력 단자에 연결된 부하에 공급되게 된다.
SAC의 효용 증대
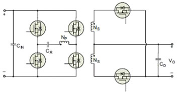
SAC의 아키텍처는 전기적 피드백의 사용을 포함하지 않는다. 제어 부품들를 제외한 파워트레인의 구조를 그림 1에 나타내었다. 파워트레인은 일차 권선과 연결된 직렬 공진 풀 브릿지와 동기식 MOSFET이 결합된 중간탭 이차 권선으로 구성된다. SAC의 내부 플래너 마그네틱과 관련된 기생 MOSFET의 경우 그 특성이 충분히 규명되었으며 엄격하게 제어된다. 또한, 누설 인덕턴스를 정확하게 정의함으로써 영전압 스위칭 및 전류 스위칭 일-이차 전원 FET의 타이밍을 최적화할 수 있다.

[그림 1] 기존 SAC 엔진의 모식도
그림 2는 SAC 엔진의 두 개의 전원 포트에서 나타나는 전압과 전류의 파형을 보여준다. 각 FET에 절연된 구동 신호를 공급하는 일차 측 제어기는 간결한 전달을 위해 그림 1에 나타내지 않는다. 해당 제어기는 동작 중 전류와 전압의 흐름을 감시하며 이를 통해 SAC의 구동을 방해할 수 있는 일시적인 외부 요인이나 결함에 대한 보호를 제공한다. 일반적으로 고장 상황에 대한 응답은 적은 수의 스위칭 주파수 주기내에서 측정된다. 스위칭 비율은 1 MHz의 차수로써 이때 리플 주파수는 스위칭 기본 주파수의 두 배에 해당한다.

[그림 2] 부하 스텝과 관련된 SAC에서의 영전압 스위칭을 나타내는 오실로그램. VP는 SAC의 일차 구간에 있는 MOSFET의 대각선 쌍 전환에 의해 일차 권선에 유도된 전압을 의미한다. 스위칭 주파수는 Cr로 구성된 낮은 Q-tank 회로 및 전원 마그네틱의 누설 인덕턴스의 공진 주파수와 정확하게 일치하도록 설정된다. 일차 및 이차 전류(IP와 IS)는 원래 정현파이다. 부하 연결 시 관찰되는 미세한 전압 강하는 SAC의 유한 상호연결 임피던스에 기인한다.
기존의 응용 방식에 따르면, 전력은 일차 또는 고전압(HV) 포트에서 이차 또는 저전압(LV) 포트로 이동한다. 순방향 모드는 인가된 전압의 강압 동작과 연관되어 있다.
다양한 SAC 모델이 역방향 모드에서 정상적으로 동작하는지 확인하기 위해 다음과 같은 실험을 수행하였다. 일차 제어기를 가동하여 SAC가 활성화되면, 특정 전력 포트를 구동하는 소스에 의해 전력 흐름은 결정된다. 초기 실험을 통해 역방향 모드가 작동되는 동안 K 변환 계수의 크기에 상관없이 변환기의 LV 측에 인가되어 HV 포트로 전달되는 전압이 효과적으로 승압되어 전달됨이 입증되었다.
상기 내용의 증명을 위해 K 계수가 1/32 수준으로 매우 작은 시스템을 대상으로 실험이 진행되었다.
그림 3은 역방향 동작을 위한 시동 방식과 관련된 일련의 절차를 나타낸다. 초기 상태에서의 회로 구성은 HV와 LV 전원이 꺼진 상태이며 그림과 같이 전자 부하(E-Load) 저항기와 스위치 조합이 일차 포트와 분리된 상태로 그림에 나타내었다.

[그림 3] SAC 역방향 시동 절차의 예
HV 전원을 적용할 경우 LV포트 측에 42.5V의 무부하 전압이 인가되었으며, 이는 255VDC의 인가된 전압과 SAC의 강압 동작을 정의하는 K=1/6 전압 변압비의 조건에 해당한다. 그림 3의 녹색 화살표가 이 과정을 표시한다. LV 포트는 이차 측의 차단 다이오드로 인해 LV 직류 전원에 전류를 공급할 수 없다. 부하 연결 전 SAC에는 대기 모드 유지와 관련된 적은 양의 전력 소실이 발생한다. 1.65 kW 정격 변환기의 경우 약 10 W가 소실된다.
이제 LV 전원을 켜고, +OUT 및 -OUT 포트 사이에 55.5 V의 전압을 인가한다. LV 포트 측 전압은 즉각적으로 42.5에서 55.5 V로 상승하며, SAC는 그림과 같이 HV 포트 전압을 333 V로 끌어올린다. HV 차단 다이오드는 전류가 HV 직류 전원으로 회귀하는 경로를 차단한다. E-Load 스위치를 닫아 회로에 E-Load를 연결할 수 있다. 이 때 두 개의 새로운 전류 수준이 생성된다: LV 전류 발생 후 매우 빠르게 E-Load의 저항 값에 따라 특정 수준의 E-Load 전류가 발생하며, 이때 LV 전류의 크기는 BCM의 전력 처리 용량에 비례하여 정해진다.
교대형 시동 절차 시, SAC를 손상시키지 않고 무제한으로 LV 포트에 전압을 인가할 수 있다. SAC의 LV와 HV 포트 사이에 직류 전류 경로가 존재하지 않는 상태이다. 다음 단계로 SAC의 일차측 제어기에 전압을 인가한다. 적은 양의 전류가 다이오드를 통해 HV 전원에서 SAC 제어기로 흐르며, 내부를 통해 HV포트로 연결된 바이어스 회로를 통해 SAC 제어기가 활성화된다.
제어기의 스위치가 켜지고 예비기동 점검 절차가 수행되는 즉시 SAC의 파워트레인이 가동된다. 255V로 사전 설정된 HV 직류 전원의 경우, HV 포트의 전압이 초기 255V에서 333V로 점진적으로 증가한다. BCM은 E-Load 스위치가 닫힘에 따라 전류를 역방향 모드로 SAC의 HV 포트에서 전기 부하 저항기로 공급한다.
전압, 전류와 관련된 강압 및 승압 동작은 순방향 및 역방향 모드 간 상호 전환된다. 모드에 상관없이 모든 SAC 동작에 다음의 수식 1이 보편적으로 적용된다.
K = VOUT/VIN = IIN/IOUT (수식1)
개선된 양방향 변환기
스위치 모드 전원 시스템(SMPS)이 갖추어야 할 요건 중 하나는 승압 변환 계수의 값이 6이상이어야 한다는 점이다. SACTM는 원래 변환 계수가 6 이상일 때 역방향 모드에서 효과적으로 동작한다. 이런 점에서 볼 때, 전력 수준을 높이는 것이 문제의 핵심이며, 이는 아키텍처 개선을 통해 해결되었다.
해당 구성은 제한된 전력 처리량에도 불구하고 우수한 변환 효율을 보여주는 384VDC 배전 시스템에 적합하다. 역방향 모드의 SAC는 그 역방향 처리 용량에 따른 설계 공간을 변화시킨다. 일차 측은 적층된 하프 브릿지로 구성된다. 입력 스택은 중간 정도의 성능 지수를 갖는 저비용 MOSFET으로 구현된다. 이를 통해 매우 우수한 스탠드오프 전압 용량을 갖는 프론트엔드를 용이하게 한다.[e] 양방향 변환을 위한 기존 및 새로 개발된 SAC 토폴로지의 비교를 위해 다양한 성능 변수를 표 1에 나타내었다.

[표 1] BDC 역할을 수행하며 1.65kW의 직류 전원을 처리하는 다양한 SAC 엔진의 성능 변수 비교
전원 흐름 분류
그림 4의 기본 구성에 따라 전원 흐름의 방식을 크게 몇 가지로 분류할 수 있다. SAC는 양방향 모드 시 두 개의 포트 중 변환기를 구동하게 될 포트에 따라 동작 모드를 변경할 수 있다는 점에서 타 시스템과 차별화된다.

[그림 4] 전력 흐름 분류의 예(이때, K는 전압 변압비)
BDC 적용 예시
새로 개발된 양방향 변환기 모듈(BDM)의 강점은 강화된 SAC 기반 부품이 고유의 설계 문제 해결을 위해 실제 설정에서 어떻게 사용되었는지를 살펴보면 알 수 있다. SAC의 내부 플래너 마그네틱과 관련된 기생 MOSFET의 경우 그 특성이 충분히 규명되었으며 엄격하게 제어된다.
자동차 에너지 하베스팅 및 엑티브 서스펜션
전기 자동차 기술이 발전하고 바퀴와 섀시를 연결하는 전동 발전기 어셈블리의 적용으로 에너지 회수의 기회가 늘면서, 그림 5와 같은 비조정 파워트레인에서는 외부 제어기를 통해 LV 배터리에 대한 에너지 공급 및 회수 과정을 보다 효율적으로 관리해야 할 필요가 있다. 모터 및 발전기 유닛은 운동 에너지를 전기 에너지로 변환시킨다. 일부 고급 제품의 경우, 역방향 채널의 적용으로 장애물을 만났을 시 바퀴의 방향을 바꾸어주는 엑티브 서스펜션 기술을 구현하여 더 나은 운전환경을 제공한다. 이 경우, 400V의 하베스트 모선에서 회수된 에너지는 LV 배터리와 빠른 에너지 저장에 적용 가능한 수퍼 커패시터에 저장된다. 역방향 기동기가 있는 경우, LV 배터리(일반적으로 12 또는 48 V)로부터 BCM을 대기 상태로 유지시키는 주 파워트레인으로부터 독립되어 있는 승압 변환기를 사용하여 BCM이 기동된다.

[그림 5] 양방향 변환 작동의 예(에너지 하베스팅을 위한 자동차 회생 제동 시스템에 적용)
HV 연결 기반 스마트 그리드
스마트 전력 기술이 발전하면서 전력 그리드 부재로 인해 전력 공급이 원활하지 않은 주거 및 상업 지역을 위한 스마트 전력 기술의 적용에 대해 관심이 높아지고 있다. 교류 배전 시설의 경우 높은 고정비로 인해 섬이나 벽지 지역에 대한 적용이 불가능하다. 이에, 교대형 시스템을 적용할 경우 교대형 전기 에너지원에 함께 연결되어 있는 여러 부하에 직류 전력을 공급할 수 있다.
그림 6과 같이, 각 주거 시설의 교류 및 직류 HV/LV 연결 부하는 마이크로 그리드 배전 시스템을 통해 전원 및 전기 자동차 또는 하이브리드 자동차 등의 타 부하에 연결된다. BDC는 각 전기 사용자, 저장소 및 마이크로 그리드의 전력 시스템 요소들을 연결한다. 이러한 구성의 경우 소요되는 전원 재배치를 관리하거나 비정상 상태에 대응하기 위해 시스템 차원에서 수행되는 외부 제어를 필요로 한다. 여기서 중요한 시사점은 하이브리드 그리드 조건에서의 전력 흐름의 맥락에서 볼 때, 전기 자동차는 사용 후 주차 시 충전해야만 하는 고전적 의미에서의 부하일 뿐만 아니라 또 다른 가용한 전원이라는 점이다.

[그림 6] 국내 하이브리드 전력 그리드의 예
중간 관찰
SACTM는 무엇보다 전력 흐름의 쉬운 변경에 필요한 유연성을 제공하는 아키텍처이다. 두 개의 사분면 스위치로 구현된 다수의 파워트레인과 호환되며, 파워트레인 자체를 변경할 필요 없이 제어, 변환 및 센싱 방식 변경만으로 적용이 가능하다. 더 나아가, 최초 기동 시 활성화되어야 하는 포트를 지정할 필요 없이 전력 흐름을 내부적으로 변경할 수 있도록 고안된 새로운 전력 부품의 개발을 예상하는 사람도 있다.
화학 배터리, 수퍼 커패시터 등 저장 요소로 유입되는 전력의 제어와 관련된 문제의 해결 또한 남아있는 도전 과제 중 하나이다. 충전이 필요한 경우, 사전 설정된 전압 수준에 도달할 때까지 전류 제한이 적용되며 이는 충전 시스템을 안전한 작동 제한 범위 안에서 유지하기 위해 많이 사용되는 방식이다.
양방향 전력 흐름의 감시를 통해 배터리 상태를 일관된 방식으로 관리하는 것 또한 배터리 수명 연장에 도움이 된다. 전압 및 전류 조정기를 양방향 전원 구성에 적용하면 모든 유용한 시스템의 주요 파티션에 대한 정밀한 제어가 가능하다.
그림 7은 384 VDC모선, 48 V 배터리 뱅크의 두 포트 간 상호 전환되는 조정 기능의 구현 방식에 대한 그림이다. 두 개의 조정기 중 단 하나의 조정기만 사용 가능하며 나머지 하나는 대기 모드로 유지된다. 목적에 맞게 설계된 하나의 양방향 조정기를 개발하는 것일 더 나은 접근 방법으로 사료된다. 파워트레인은 정상 상태이지만 센싱 및 제어 요소가 자동 기동에 적합하게 설계되었고 원활한 포트 간 전환을 위해서는 파워트레인을 상황에 맞게 계속해서 재설정해야 한다.

[그림 7] 양방향 파워트레인 구성을 위해 두 개의 일방향 전용 조정 장치를 사용한 기술의 예
디지털 제어는 필요한 수준의 프로그래밍 기능을 제공하여 작은 디지털 제어 오버헤드를 처리함으로써 동일한 전력 하드웨어를 재사용할 수 있게 해준다. 이 기술을 통해, 당사는 격리, 변환된 직류 전압과 전류를 제공하는 SAC의 기능을 보완하는 조정기를 개발하였으며 해당 개념에 대한 모식도를 그림 8에 나타내었다.

[그림 8] 양방향 조정기의 예. 두 개의 모드 중 하나의 모드로만 작동 가능하며 동시에 두 개의 모드로 작동할 수 없다: 정전류 조정(순방향 모드에서 배터리가 연결된 포트에서 사용 가능한 정압 세류 충전 모드), 고정 전압 조정 모드(역방향 사전 조정기 모듈 가동 시 전원 및 부하 기반 포트에 적용)
요약
본 문서를 통해 양방향 전력 변환 기술의 원리, 정의 및 다양한 예시를 제시하였다. 특히, 기능성에 기반하여 새로운 양방향 조정기 모델을 제안하였다.
양방향 전력 변환 기술은 대체 에너지원, 에너지 저장 및 부하의 효율적 관리가 중요한 모든 시스템의 필수 요소이다. 에너지 측면에서 볼 때, 해당 기술이 적용되는 시스템은 닫힌 시스템으로 인식되어야 한다. 그러므로 적용 지역이 벽지일수록 전력 설계 및 공급의 측면이 더욱 중요해진다.
참고 문헌
[a] R. W. Erickson, Fundamentals of Power Electronics, Norwell, MA: Kluwer, 1999.
[b] U. Ghisla, “A novel, non?isolated bus converter enables high efficiency energy transport to supply high power loads in cars,” in Proc. Electric / Electronic Systems in Hybrid and Electric Vehicles and Electrical Energy Management Conf., Wiesloch, Germany, 2016, pp. 453 ? 461.
[c] M. Salato, “The sine amplitude converter topology provides superior efficiency and power density in intermediate bus architecture converters,” Vicor Corp., Andover, MA, White Paper, 2011.
[d] "Point of load sine amplitude converters and methods," by P. Vinciarelli. (2016, Dec). U.S. Patent 7,145,786. [Online]. Available: https://patents.google .com/patent/US7145786
[e] A. Patel, “A new bidirectional DC?DC converter for fuel cell, solar cell, and battery systems,” in Proc. 2016 IEEE Applied Power Electronics Conf., Long Beach, CA, 2016, pp. 150 ? 155.
기사입력 : 2019-05-10
모바일 로봇의 성능을 최적화하는 고밀도 모듈형 전력 공급 네트워크
작성자 : Anna Giasson 외 1인
전력 모듈을 활용해 전기차의 고전압 프리차지 회로를 제거하는 새로운 ...
작성자 : Patrick Kowalyk
자동차용 800V에서 48V SELV로의 전환을 가속하는 전력 모듈
작성자 : Patrick Wadden
48V로 가속하는 전력 전자 혁신
작성자 : Max Maxfield
고밀도 전력 모듈로 EV 전력 시스템 설계 간소화 및 소형화
작성자 : 그렉 그린
새로운 우주 애플리케이션을 위한 고전력 밀도 및 저잡음 구현
작성자 : Ken Coffman 외 1인
소형 전력 모듈로 차량의 전동화 가속
작성자 : 바이코
생명 구조 목적의 각종 재료와 서비스를 보호하고 제공하는 혁신적 솔루션
작성자 : 바이코
생성형 AI - 극히 전력 소모가 큰 컴퓨팅 애플리케이션의 전력 소모 줄이기
작성자 : Maury Wood
자동차 전기화: 48V가 12V 대체
작성자 : 바이코 코리아
전동화 트렌드를 주도하는 소형 전원 모듈
작성자 : 바이코
MOSA, SOSA 및 VPX 개방형 아키텍처를 사용하는 표준 국방 플랫폼의 미래
작성자 : Matt Renola
|